Скачать опросный лист
Вентиляторы осевые ВО 25-188 №11,2 предназначены для применения в системах противодымной вентиляции и монтируются в приточных системах дымоудаления. Кроме того, используются в системах вентиляции и воздушного отопления зданий и сооружений, и других производственных и санитарно-технических целей. Рабочая среда — воздух и невзрывоопасные газовоздушные смеси с температурой не выше 50°С, неагрессивные к углеродистым сталям. Пыли и других твёрдых примесей в рабочей среде должно быть не более 10 мг/м3; содержание липких и волокнистых материалов и веществ не допускается.
Скачать опросный лист
Вентиляторы ВО 25-188 №11,2 предназначены для работы в районах с умеренным климатом (У) 2-й категории размещения по ГОСТ 15150. При условии обеспечения защиты электродвигателя от солнечных лучей и атмосферных воздействий допускается размещение агрегатов по 1-й категории.
Рабочее колесо вентилятора ВО 25-188 №11,2 имеет 6 лопаток, установленных под углом 30° (исполнения 4 и 5) или 35° (исп. 1,2,3 и 4). На изделиях в вариантах исполнения 1,2 и 4 перед рабочим колесом установлен направляющий аппарат, лопатки которого имеют угол установки 5° (исп. 2 и 4) или 10° (исп. 1). Благодаря подкрутке потока воздуха направляющим аппаратом повышается создаваемое вентилятором давление.
Вентиляторы осевые ВО 25-188 №11,2 предназначены для применения в системах противодымной вентиляции и монтируются в приточных системах дымоудаления. Кроме того, используются в системах вентиляции и воздушного отопления зданий и сооружений, и других производственных и санитарно-технических целей. Рабочая среда — воздух и невзрывоопасные газовоздушные смеси с температурой не выше 50°С, неагрессивные к углеродистым сталям. Пыли и других твёрдых примесей в рабочей среде должно быть не более 10 мг/м3; содержание липких и волокнистых материалов и веществ не допускается.

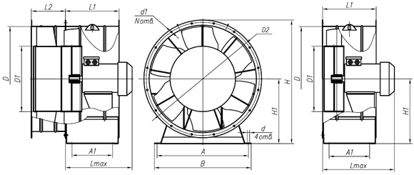
| Размеры,мм | N | ||||||||||||
|---|---|---|---|---|---|---|---|---|---|---|---|---|---|
| А | А1 | B | D | D1 | D2 | d | d1 | H | H1 | Lmax | L1 | L2 | |
| 1000 | 460 | 1060 | 1120 | 570 | 1170 | 22 | 10 | 1270 | 670 | 635 | 560 | 225 | 16 |

Акустические характеристики, измеренные со стороны нагнетания на номинальном режиме работы
| № модиф. | LpA, дБА | Значение Lpi, дБ в октавных полосах f, Гц | ||||||||
|---|---|---|---|---|---|---|---|---|---|---|
| 63 | 125 | 250 | 500 | 1000 | 2000 | 4000 | 8000 | |||
| 1 | 108 | 94 | 99 | 107 | 107 | 105 | 98 | 92 | 85 | |
| 2 | 107 | 94 | 99 | 107 | 106 | 103 | 97 | 91 | 83 | |
| 3 | 107 | 88 | 95 | 106 | 105 | 104 | 97 | 90 | 84 | |
| 4 | 105 | 85 | 94 | 104 | 103 | 100 | 94 | 87 | 79 | |
| 5 | 104 | 86 | 94 | 105 | 104 | 99 | 93 | 86 | 78 |
|
| № вент. | Номер модификации кривой | Угол установки лопаток, градус | Электродвигатель | Параметры в рабочей зоне | Масса вентиля-тора, кг | Объем вентиля-тора V, м³ | ||||
|---|---|---|---|---|---|---|---|---|---|---|
| Колеса | НА | Мощность, кВт | Частота вращения, об/мин | Производительность, 10³ м³/час | Полное давление, Па | Компановка | ||||
| 01 | 02 | |||||||||
| 8 | 01 | 35 | 10 | 11,0 | 1435 | 25,5-32,0 | 840-660 | 182 | 193 | 0,4 |
| 02 | 35 | 5 | 7,5 | 1455 | 22,5-30,0 | 740-570 | 170 | 181 | ||
| 03 | 35 | * | 5,5 | 1450 | 18,5-27,3 | 585-475 | 124 | 135 | ||
| 04 | 30 | 5 | 5,5 | 1450 | 20,5-27,2 | 700-418 | 159 | 180 | ||
| 05 | 30 | * | 4,0 | 1435 | 17,3-22,3 | 510-308 | 102 | 113 | ||
| 9 | 01 | 35 | 10 | 11,0 | 1435 | 29,3-45,0 | 710-430 | 237 | 253 | 0,5 |
| 02 | 35 | 5 | 11,0 | 1435 | 27,5-41,5 | 670-395 | 237 | 253 | ||
| 03 | 35 | * | 7,5 | 1455 | 26,4-40,4 | 635-340 | 178 | 194 | ||
| 04 | 30 | 5 | 7,5 | 1455 | 23,5-38,0 | 645-305 | 221 | 237 | ||
| 05 | 30 | * | 7,5 | 1455 | 21,8-35,0 | 585-250 | 138 | 194 | ||
| 10 | 01 | 35 | 10 | 15,0 | 1460 | 41,5-62,5 | 910-555 | 304 | 324 | 0,8 |
| 02 | 35 | 5 | 15,0 | 1460 | 38,4-58,4 | 855-505 | 304 | 324 | ||
| 03 | 35 | * | 15,0 | 1460 | 36,3-55,4 | 785-425 | 256 | 276 | ||
| 04 | 30 | 5 | 11,0 | 1435 | 31,6-51,4 | 770-365 | 260 | 280 | ||
| 05 | 30 | * | 11,0 | 1435 | 47,5-27,5 | 700-303 | 212 | 232 | ||
| 11,2 | 01 | 35 | 10 | 7,5 | 960 | 38,0-57,7 | 490-300 | 284 | 311 | 0,9 |
| 02 | 35 | 5 | 7,5 | 960 | 35,3-54,0 | 463-273 | 284 | 311 | ||
| 03 | 35 | * | 7,5 | 960 | 33,5-51,0 | 425-230 | 233 | 260 | ||
| 04 | 30 | 5 | 5,5 | 950 | 29,5-47,7 | 423-203 | 268 | 295 | ||
| 05 | 30 | * | 5,5 | 950 | 27,5-44,0 | 385-130 | 218 | 245 | ||
| 12,5 | 01 | 35 | 10 | 15,0 | 970 | 53,5-81,0 | 625-384 | 407 | 440 | 1,3 |
| 02 | 35 | 5 | 15,0 | 970 | 49,5-75,0 | 590-347 | 407 | 440 | ||
| 03 | 35 | * | 15,0 | 970 | 47,0-71,5 | 540-292 | 347 | 380 | ||
| 04 | 30 | 5 | 11,0 | 970 | 41,7-67,7 | 550-260 | 377 | 410 | ||
| 05 | 30 | * | 11,0 | 970 | 39,0-62,5 | 500-215 | 317 | 350 | ||