Скачать опросный лист
Пароводяной подогреватель ПП 1-24-7-II используется в системах отопления и горячего водоснабжения, работающих в температурных режимам 70/150 °C; 70/130 °С и 70/95 °С.
На нашем сайте представлены серийные пароводяные подогреватели ПП, изготавливаемые по ОСТ 108.271.105-76. Устройства предназначены для нагрева паром воды в системах отопления, теплоснабжения и ГВС.
Скачать опросный лист
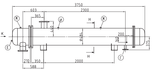
Подогреватель ПП 1-24-7-II представляет собой горизонтальный кожухотрубный теплообменник, основными конструктивными элементами которого являются:
- Высокопрочный корпус с крышкой (ПП1 с эллиптическим днищем, ПП2 — с плоским);
- Трубная система;
- Водяные камеры подогревателя, передняя и задняя.
Трубные системы пароводяных подогревателей могут изготавливаться из гладких или профилированных латунных трубок. По желанию заказчика возможно изготовление корпуса и трубной системы из специальных сталей и сплавов.
Пароводяной подогреватель ПП 1-24-7-II используется в системах отопления и горячего водоснабжения, работающих в температурных режимам 70/150 °C; 70/130 °С и 70/95 °С.
На нашем сайте представлены серийные пароводяные подогреватели ПП, изготавливаемые по ОСТ 108.271.105-76. Устройства предназначены для нагрева паром воды в системах отопления, теплоснабжения и ГВС.
|
Масса подогревателя, кг
|
920 |
|
Номинальный расход воды, т/ч
|
83,5 |
|
Площадь поверхности нагрева, м²
|
24,4 |
|
Расчетный тепловoй поток, МВт (Гкал/ч)
|
4,9 (4,22) |
|
Температурный график
|
70/130 °С (максимальное избыточное рабочее давление пара — 0,68 МПа) |

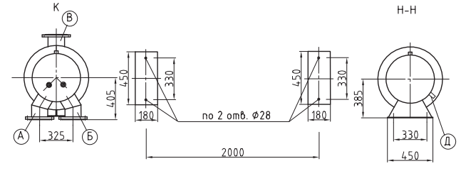
Схема расположения опор

Таблица присоединений
| Обозна- чение | Наименование | Кол. | Условные | Присоеденительные размеры, мм | ||||
|---|---|---|---|---|---|---|---|---|
| Dy, мм | Ру, кгс/см2 | Ф, нар | Ф, окр отв | Ф, отв | Кол. отв | |||
| А | Подвод сетевой воды | 1 | 150 | 16 | 280 | 240 | 22 | 8 |
| Б | Отвод сетевой воды | 1 | 150 | 16 | 280 | 240 | 22 | 8 |
| В | Вход пара | 1 | 150 | 10 | 280 | 240 | 22 | 8 |
| Г | Выход конденсата | 1 | 50 | 10 | 160 | 125 | 18 | 4 |
| Д | Отсос воздуха | 1 | 20 | - | Труба 25х2 | |||
| Е | Для измерения температуры воды | 2 | - | - | М27х2 | |||
| Ж | Отвод воздуха | 2 | 6 | - | М20х1,5 | |||
| И | Для измерения давления пара | 1 | - | - | М20х1,5 | |||