Скачать опросный лист
Вентиляторы центробежные радиальные ВЦ 14-46 № 8 применяются в вентиляционных и отопительных системах, а также для других производственных и санитарно-технических целей. Вентиляторы предназначены для перемещения воздуха и воздушно-газовых смесей, агрессивность которых по отношению к углеродистой стали не превышает агрессивность воздуха. Перемещаемая среда не должна содержать липких веществ, волокнистых материалов и абразивных твёрдых примесей. Температура рабочей среды — -40° … +40°С, содержание пыли не выше 100 мг/м3.
Скачать опросный лист
Вентиляторы центробежные ВЦ 14-46 № 8 изготавливаются в климатическом исполнении У2. Агрегат состоит из спирального корпуса-улитки, электродвигателя, рабочего колеса, входного патрубка и опоры. Корпус представляет собой неразъёмный узел, и может быть закреплён в одном из 12 возможных положений с шагом поворота 45°. Спиральный корпус крепится к опоре болтами. Номер типоразмера вентилятора соответствует диаметру рабочего колеса в дециметрах. Направление вращения рабочего колеса правое и левое.
Для изготовления узлов вентиляторов ВЦ 14-46 № 8 общего назначения используется углеродистая или оцинкованная сталь.
Вентиляторы центробежные радиальные ВЦ 14-46 № 8 применяются в вентиляционных и отопительных системах, а также для других производственных и санитарно-технических целей. Вентиляторы предназначены для перемещения воздуха и воздушно-газовых смесей, агрессивность которых по отношению к углеродистой стали не превышает агрессивность воздуха. Перемещаемая среда не должна содержать липких веществ, волокнистых материалов и абразивных твёрдых примесей. Температура рабочей среды — -40° … +40°С, содержание пыли не выше 100 мг/м3.
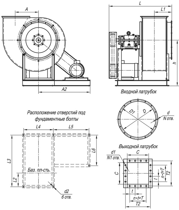
Габаритные и присоединительные размеры вентиляторов ВЦ 14-46 №8 исп-1

| Размеры, мм | ||||||||
|---|---|---|---|---|---|---|---|---|
| B | b | H | B | b | H | B | b | H |
| Пр 135°, Лев 135° | Пр 270°, Лев 270° | Пр 315°, Лев 315° | ||||||
| 1635 | 665 | 765 | 1246 | 713 | 615 | 1635 | 665 | 565 |
| Пр 0°, Лев 0° | Пр 45°, Лев 45° | Пр 90°, Лев 90° | ||||||
| 1461 | 618 | 533 | 1336 | 565 | 973 | 1246 | 713 | 844 |

| Размеры, мм | |||||||||||
|---|---|---|---|---|---|---|---|---|---|---|---|
| А | D | D1 | d | d1 | d2 | h | L | L1 | L2 | L3 | L4 |
| 520 | 820 | 850 | 12,5 | 10 | 15 | 905 | 1470 | 378 | 212 | 1050 | 606 |
| Размеры, мм | Спиральный корпус-оцинкованный | N | N1 | n | |||||||
| C | C2 | t | T | T2 | C | C2 | T2 | d | |||
| 560 | 635 | 150 | 600 | 600 | * | * | * | * | 16 | 16 | 4 |
Габаритные и присоединительные размеры вентиляторов ВЦ 14-46 №8 исп-5

| Размеры,мм | ||||||||||
|---|---|---|---|---|---|---|---|---|---|---|
| А | F2 | D | D1 | d | d1 | d2 | h | L | L1 | L2 |
| 520 | 1245 | 820 | 850 | 12,5 | 10 | 15 | 950 | 1485 | 378 | 310 |
| L3 | L4 | L5 | L6 | C | t | T | T2 | N | N1 | n |
| 1218 | 588 | 932 | 640 | 565 | 150 | 600 | 600 | 16 | 16 | 4 |

| n, мин-1 | Значение Lpi, в октавных полосах f, Гц | LpA, дБА | |||||||
|---|---|---|---|---|---|---|---|---|---|
| 63 | 125 | 250 | 500 | 1000 | 2000 | 4000 | 8000 | ||
| 735 | 96 | 97 | 101 | 103 | 99 | 95 | 90 | 82 | 103 |
| 985 | 103 | 104 | 108 | 110 | 106 | 102 | 97 | 89 | 110 |
| № вент. | Электродвигатель | Частота вращения рабочего колеса, мин-1 | Параметры в рабочей зоне | Виброизоляторы | Масса вентилятора, не более кг | Объем вентилятора, м3 | |||||
|---|---|---|---|---|---|---|---|---|---|---|---|
| Типоразмер | Мощность, кВт | Произ-ть 10³х м³/ч | Полное давление. Да | ДО | Кол-во | ВР | Кол-во | ||||
| №2 | АИР 56 В4 | 0,18 | 1330 | 0,6-0,9 | 260-270 | ДО 38 | 4 | ВР 201 | 4 | 18 | 0,08 |
| АИР 63 А4 | 0,25 | 1330 | 0,6-1,15 | 260-265 | ДО 38 | 4 | ВР 201 | 4 | 20 | ||
| АИР 63 В4 | 0,37 | 1330 | 0,6-1,15 | 260-265 | ДО 38 | 4 | ВР 201 | 4 | 20,6 | ||
| АИР 80 А2 | 1,5 | 2850 | 1,3-2,0 | 1200-1250 | ДО 38 | 4 | ВР 201 | 4 | 28,1 | ||
| АИР 80 В2 | 2,2 | 2850 | 1,3-2,5 | 1200-1200 | ДО 38 | 4 | ВР 201 | 4 | 30,8 | ||
| №2,5 | АИР 71 А4 | 0,55 | 1350 | 1,1-1,8 | 430-500 | ДО 38 | 4 | ВР 201 | 4 | 29 | 0,14 |
| АИР 71 В4 | 0,75 | 1350 | 1,1-2,2 | 430-510 | ДО 38 | 4 | ВР 201 | 4 | 29 | ||
| АИР 90 L2 | 3 | 2850 | 2,4-2,7 | 1950-2000 | ДО 38 | 4 | ВР 201 | 4 | 36,6 | ||
| АИР 100 S2 | 4 | 2850 | 2,4-3,4 | 1950-2200 | ДО 38 | 4 | ВР 201 | 4 | 46,4 | ||
| АИР 100 L2 | 5,5 | 2850 | 2,4-4,4 | 1950-2300 | ДО 38 | 4 | ВР 201 | 4 | 51,8 | ||
| № 3,15 | АИР 71 В6 | 0,55 | 920 | 1,5-2,7 | 330-370 | ДО 38 | 4 | ВР 201 | 4 | 34 | 0,22 |
| АИР 80 А6 | 0,75 | 920 | 1,5-3,5 | 330-360 | ДО 38 | 4 | ВР 201 | 4 | 36,2 | ||
| АИР 80 В4 | 1,5 | 1400 | 2,3-3,5 | 800-880 | ДО 38 | 4 | ВР 201 | 4 | 38,4 | ||
| АИР 90 L4 | 2,2 | 1400 | 2,3-5,1 | 800-850 | ДО 38 | 4 | ВР 201 | 4 | 43,2 | ||
| №4 | АИР 90 L6 | 1,5 | 930 | 3,5-5,2 | 550-620 | ДО 39 | 4 | ВР 201 | 4 | 58,7 | 0,4 |
| АИР 100 L6 | 2,2 | 930 | 3,5-7,3 | 550-630 | ДО 39 | 4 | ВР 201 | 4 | 72 | ||
| АИР 100 L4 | 4 | 1430 | 5,2-6,0 | 1320-1400 | ДО 39 | 4 | ВР 201 | 4 | 72 | ||
| АИР 112М4 | 5,5 | 1430 | 5,2-8,3 | 1320-1550 | ДО 39 | 4 | ВР 201 | 4 | 92 | ||
| АИР 132 S4 | 7,5 | 1430 | 5,2-8,8 | 1320-1550 | ДО 40 | 4 | ВР 201 | 4 | 115 | ||
| №5 | АИР 112 МВ6 | 4 | 970 | 6,0-8,4 | 950-1070 | ДО 40 | 5 | ВР 202 | 4 | 143 | 0,9 |
| АИР 132 S6 | 5,5 | 970 | 6,0-11,5 | 950-1120 | ДО 40 | 5 | ВР 202 | 4 | 160 | ||
| АИР 132 М6 | 7,5 | 970 | 6,0-14,5 | 950-1180 | ДО 40 | 5 | ВР 202 | 4 | 176 | ||
| АИР 132 М4 | 11 | 1460 | 9,0-11,0 | 2200-2350 | ДО 40 | 5 | ВР 202 | 4 | 176 | ||
| АИР 160 S4 | 15 | 1460 | 9,0-14,5 | 2200-2500 | ДО 41 | 5 | ВР 202 | 4 | 218 | ||
| АИР 160М4 | 18,5 | 1460 | 9,0-17,0 | 2200-2550 | ДО 41 | 5 | ВР 202 | 4 | 243 | ||
| АИР 180 S4 | 22 | 1460 | 9,0-20,0 | 2200-2500 | ДО 41 | 5 | ВР 202 | 4 | 268 | ||
| АИР 180М4 | 30 | 1460 | 9,0-23,0 | 2200-2400 | ДО 41 | 5 | ВР 202 | 4 | 278 | ||
| № 6,3 | АИР 132 М8 | 5,5 | 730 | 9,2-13,0 | 890-980 | ДО 41 | 5 | ВР 203 | 4 | 214 | 1,7 |
| АИР 160 S8 | 7,5 | 730 | 9,2-17,0 | 890-1040 | ДО 41 | 5 | ВР 203 | 4 | 256 | ||
| АИР 160 М8 | 11 | 730 | 9,2-23,0 | 890-1020 | ДО 41 | 5 | ВР 203 | 4 | 281 | ||
| АИР 160 S6 | 11 | 975 | 12,3-15,0 | 1580-1700 | ДО 41 | 5 | ВР 203 | 4 | 268 | ||
| АИР 160 М6 | 15 | 975 | 12,3-19,5 | 1580-1800 | ДО 42 | 5 | ВР 203 | 4 | 293 | ||
| АИР 180 М6 | 18,5 | 975 | 12,3-24,0 | 1580-1820 | ДО 42 | 5 | ВР 203 | 4 | 328 | ||
| АИР 200 М6 | 22 | 975 | 12,3-28,0 | 1580-1800 | ДО 42 | 5 | ВР 203 | 4 | 403 | ||
| № 8 | АИР 180 М8 | 15 | 735 | 19,0-22,5 | 1430-1530 | ДО 42 | 5 | ВР 203 | 4 | 398 | 3,1 |
| АИР 200 М8 | 18,5 | 735 | 19,0-27,5 | 1430-1620 | ДО 42 | 5 | ВР 203 | 4 | 473 | ||
| АИР 200 L8 | 22 | 735 | 19,0-32,0 | 1430-1640 | ДО 43 | 6 | ВР 203 | 4 | 513 | ||
| АИР 225 М8 | 30 | 735 | 19,0-41,0 | 1430-1630 | ДО 43 | 6 | ВР 203 | 4 | 558 | ||
| АИР 225 М6 | 37 | 985 | 24,5-31,0 | 2600-2750 | ДО 43 | 6 | ВР 203 | 4 | 589 | ||
| АИР 250 S6 | 45 | 985 | 24,5-37,0 | 2600-2850 | ДО 43 | 6 | ВР 203 | 4 | 724 | ||