Вентилятор пылевой ВР 140-40 №3,15 исп. 1 радиальный, среднего давления, одностороннего всасывания, используется в системах удаления пыли от металло- и деревообрабатывающих станков, в составе установок пневматической транспортировки, а также в системах кондиционирования и вентиляции воздуха. Рабочая среда: запылённый воздух и невзрывоопасные пылегазовоздушные смеси с температурой не выше 80° С, с плотностью загрязнений не более 1 кг/м3.
ВР 140-40 №3,15 исп. 1 общего назначения, из углеродистой стали, изготовлен по 1-му конструктивному исполнению (с рабочим колесом на валу двигателя). Диаметр рабочего колеса составляет 2,5 дм (250 мм). Согласно ГОСТ 15150-69, предназначен для эксплуатации в условиях У2, У3 и Т2, Т3. При условии обеспечения защиты электродвигателя от атмосферных осадков и прямых солнечных лучей возможна эксплуатация по 1 категории размещения. Пылевой вентилятор ВР 140-40 №3,15 исп. 1 может эксплуатироваться в зонах с повышенной сейсмической опасностью.
Вентилятор пылевой ВР 140-40 №3,15 исп. 1 радиальный, среднего давления, одностороннего всасывания, используется в системах удаления пыли от металло- и деревообрабатывающих станков, в составе установок пневматической транспортировки, а также в системах кондиционирования и вентиляции воздуха. Рабочая среда: запылённый воздух и невзрывоопасные пылегазовоздушные смеси с температурой не выше 80° С, с плотностью загрязнений не более 1 кг/м3.
|
Масса не более, кг
|
36, 37, 38 |
|
Объем вентилятора, м³
|
1,8 |
| Электродвигатель | |
|
Типоразмер
|
5А80МВ2, АИР90L2, АИР100S2 |
|
Мощность, кВт
|
2,2, 3,0, 4,0 |
|
Частота вращения, мин-1
|
2850, 3000, 2800 |
| Параметры в рабочей зоне | |
|
Производ. 10³ х м³/час
|
1,53-2,8, 1,53-3,3 |
|
Полное давление, Па
|
1790-1650, 1790-1150 |
| Виброизоляторы | |
|
Тип
|
ДО38 |
|
Кол-во
|
4 |

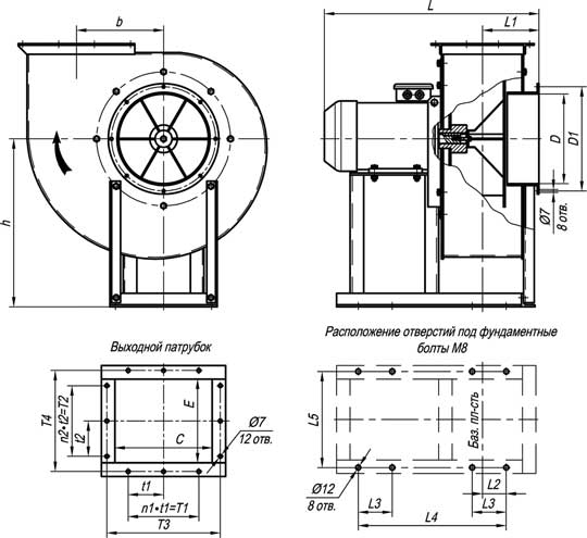
Положение корпуса вентиляторов ВР 140-40 исп-1.
1-е исполнение
| Размеры, мм | ||||||||
|---|---|---|---|---|---|---|---|---|
| Пр 135˚, Л135˚ | Пр 270˚, Л270˚ | Пр 315˚, Л315˚ | ||||||
| B | b | H | B | b | H | B | b | H |
| 663 | 263 | 302 | 506 | 282 | 243 | 663 | 263 | 224 |
| Пр 0˚, 0˚ | Пр 45˚, Л45˚ | Пр 90˚, Л90˚ | ||||||
| 585 | 243 | 224 | 525 | 224 | 400 | 506 | 282 | 342 |

| Размеры, мм | |||||||||
|---|---|---|---|---|---|---|---|---|---|
| D | D1 | C | E | b | h | Lмах | L1 | L2 | L3 |
| 215 | 245 | 223 | 189 | 205 | 395 | 550 | 133 | 56 | 80 |
| L4 | L5 | t1 | t2 | T1 | T2 | T3 | T4 | n1 | n2 |
| 350 | 265 | 84 | 75 | 84 | 75 | 254 | 221 | 1 | 1 |
