Фильтры ФОВ широко применяются на водоподготовительных установках ТЭЦ, ГРЭС, в котельных, сточных и других системах очистки.
* Производительность фильтра зависит от скорости фильтрования и уточняется расчетом.
Основными конструкционными элементами устройства являются:
- Корпус в виде цилиндра с эллиптическими днищами;
- Распределительные устройства (верхнее и нижнее);
- Фронт наружных трубопроводов;
- Запорно-регулирующая арматура;
- Контрольно-измерительные приборы.
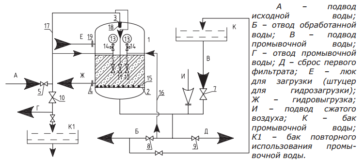
Ниже представлена принципиальная схема ФОВ:
  
При проходе очищаемой воды через устройство загрязняющие взвешенные примеси прилипают к песку (антрациту). По мере использования фильтра ФОВ грязь заполняет свободный объём между частицами фильтрующего материала. Показателем для отмывки и взрыхления фильтрующего материала служит превышение перепада давления между входящим и выходящим потоком на 0,3 МПа и более.
Мы предлагаем к поставке фильтры осветлительные ФОВ различных модификаций с производительностью от 10 до 70 м3 в час. Гарантия на всё оборудования составляет от 12 до 36 месяцев.
 
								 
								