Дымосос ДН-8 представляет собой тягодутьевую машину одностороннего всасывания, применяется для удаления продуктов горения из топочных камер котлов и печей, а также для подачи чистого воздуха в котельных установках. Диаметр рабочего колеса — 630 мм. Может быть укомплектован электродвигателем с мощностью 4 кВт или 5,5 кВт и имеет производительность, соответственно, 3400 или 5100 м3/час.
Дымосос ДН-8 одна из самых популярных и широко распространённых моделей тягодутьевых машин. Наиболее востребованы модели, изготовленные по первой конструктивной схеме, с рабочим колесом, расположенным на валу электродвигателя. Возможны также конструктивные исполнения 3 и 5 (с подшипниковой муфтой или ременной передачей). ДН-8 — самая компактная модель, которая может быть выполнена в исп. 3 и исп. 5.
В стандартном исполнении дымосос ДН-8 изготавливается без элементов взрывозащиты, с корпусом и рабочим колесом из углеродистой стали для транспортировки неагрессивной дымовой среды с температурой не выше +200° С.
Дымосос ДН-8 представляет собой тягодутьевую машину одностороннего всасывания, применяется для удаления продуктов горения из топочных камер котлов и печей, а также для подачи чистого воздуха в котельных установках. Диаметр рабочего колеса — 630 мм. Может быть укомплектован электродвигателем с мощностью 4 кВт или 5,5 кВт и имеет производительность, соответственно, 3400 или 5100 м3/час.
| 
											Мощность, кВт
																					 | 11, 15 | 
| 
											Электродвигатель
																					 | 5А160S6, 5А160S4 | 
| 
											Частота вращения, мин^-1
																					 | 1000, 1500 | 
| Параметры в рабочей зоне | |
| 
											Производ. 10³ х м³/час
																					 | 6700, 10460 | 
| 
											Полное давление, Па
																					 | 780, 1780 | 
| Масса, кг | Исполнение | |
| 
											1
																					 | 505 | 
| 
											3
																					 | 700 | 
| 
											5
																					 | 655 | 

Схема разворотов корпусов тягодутьевых машин типа ВДН и ДН (ПР).

Схема разворотов корпусов тягодутьевых машин типа ВДН и ДН (ЛЕВ).
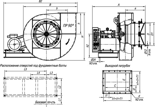
Габаритные и присоединительные размеры тягодутьевых машин типа ВДН и ДН №6,3-13 исп-1

| № машины | Amax | a | B | b | D | D1 | d | H | h | h1 | C | 
|---|---|---|---|---|---|---|---|---|---|---|---|
| 6,3 | 930 | 330 | 1057 | 409,5 | 418 | 460 | 12 | 926 | 413 | 532 | 315 | 
| 8 | 1237 | 487 | 1329 | 520 | 530 | 570 | 12 | 1172 | 523 | 580 | 400 | 
| 9 | 1276 | 508 | 1490 | 585 | 530 | 570 | 14 | 1322 | 593 | 580 | 450 | 
| 10 | 1352 | 555 | 1650 | 650 | 660 | 702 | 14 | 1473 | 663 | 600 | 500 | 
| 11,2 | 1588 | 577 | 1843 | 728 | 660 | 702 | 14 | 1655 | 748 | 700 | 560 | 
| 12,5 | 1772 | 671 | 2051 | 812,5 | 830 | 875 | 14 | 1849 | 838 | 730 | 625 | 
| 13 | 2058 | 717 | 2051 | 812,5 | 830 | 875 | 14 | 1849 | 838 | 760 | 625 | 
| № машины | E | L1 | L2 | L3 | t1 | t2 | T1 | T2 | N | N2 | n1 | n2 | 
|---|---|---|---|---|---|---|---|---|---|---|---|---|
| 6,3 | 236 | 236 | 330 | 610 | 122 | 95 | 366 | 285 | 8 | 12 | 3 | 3 | 
| 8 | 300 | 277 | 330 | 610 | 90 | 118 | 450 | 354 | 12 | 12 | 5 | 3 | 
| 9 | 338 | 296 | 330 | 610 | 100 | 97 | 500 | 388 | 12 | 18 | 5 | 4 | 
| 10 | 375 | 315 | 330 | 610 | 92 | 85 | 552 | 425 | 12 | 22 | 6 | 5 | 
| 11,2 | 420 | 343 | 565 | 760 | 121 | 118 | 605 | 472 | 12 | 18 | 5 | 4 | 
| 12,5 | 470 | 368 | 565 | 760 | 135 | 104 | 675 | 520 | 16 | 20 | 5 | 5 | 
| 13 | 580 | 368 | 750 | 760 | 75 | 63 | 675 | 630 | 16 | 38 | 9 | 10 | 
Габаритные и присоединительные размеры тягодутьевых машин типа ВДН и ДН №6,3-13 исп-3

| № машины | Amax | a | b | b | D | D1 | d | H | h | h1 | C | 
|---|---|---|---|---|---|---|---|---|---|---|---|
| 6,3 | 1551 | 330 | 1057 | 409,5 | 418 | 460 | 12 | 926 | 413 | 532 | 315 | 
| 8 | 1930 | 487 | 1329 | 520 | 530 | 570 | 12 | 1172 | 523 | 580 | 400 | 
| 9 | 2099 | 508 | 1490 | 585 | 530 | 570 | 14 | 1322 | 593 | 580 | 450 | 
| 10 | 2175 | 555 | 1650 | 650 | 660 | 702 | 14 | 1473 | 663 | 600 | 500 | 
| 11,2 | 2554 | 577 | 1843 | 728 | 660 | 702 | 14 | 1655 | 748 | 700 | 560 | 
| 12,5 | 2825 | 671 | 2051 | 812,5 | 830 | 875 | 14 | 1849 | 838 | 730 | 625 | 
| 13 | 3072 | 717 | 2051 | 812,5 | 830 | 875 | 14 | 1849 | 838 | 760 | 625 | 
| № машины | E | L1 | L2 | L3 | t1 | t2 | T1 | T2 | N | N2 | n1 | n2 | 
|---|---|---|---|---|---|---|---|---|---|---|---|---|
| 6,3 | 236 | 236 | 460 | 610 | 122 | 95 | 366 | 285 | 8 | 12 | 3 | 3 | 
| 8 | 300 | 277 | 500 | 610 | 90 | 118 | 450 | 354 | 12 | 12 | 5 | 3 | 
| 9 | 338 | 296 | 530 | 610 | 100 | 97 | 500 | 388 | 12 | 18 | 5 | 4 | 
| 10 | 375 | 315 | 550 | 610 | 92 | 85 | 552 | 425 | 12 | 22 | 6 | 5 | 
| 11,2 | 420 | 343 | 800 | 760 | 121 | 118 | 605 | 472 | 12 | 18 | 5 | 4 | 
| 12,5 | 470 | 368 | 800 | 760 | 135 | 104 | 675 | 520 | 16 | 20 | 5 | 5 | 
| 13 | 580 | 368 | 800 | 760 | 75 | 63 | 675 | 630 | 16 | 38 | 9 | 10 | 
Габаритные и присоединительные размеры тягодутьевых машин типа ВДН и ДН №6,3-13 исп-5

| № машины | A | a | b | B2 | b | D | D1 | d | H | h | h1 | C | E | 
|---|---|---|---|---|---|---|---|---|---|---|---|---|---|
| 6,3 | 1100 | 330 | 1057 | 1468 | 409,5 | 418 | 460 | 12 | 926 | 413 | 532 | 315 | 236 | 
| 8 | 1305 | 487 | 1329 | 1812 | 520 | 530 | 570 | 12 | 1172 | 523 | 580 | 400 | 300 | 
| 9 | 1465 | 508 | 1490 | 1902 | 585 | 530 | 570 | 14 | 1322 | 593 | 580 | 450 | 338 | 
| 10 | 1530 | 555 | 1650 | 2139 | 650 | 660 | 702 | 14 | 1473 | 663 | 600 | 500 | 375 | 
| 11,2 | 1815 | 577 | 1843 | 2728 | 728 | 660 | 702 | 14 | 1655 | 748 | 700 | 560 | 420 | 
| 12,5 | 1930 | 671 | 2051 | 2845 | 812,5 | 830 | 875 | 14 | 1849 | 838 | 730 | 625 | 470 | 
| 13 | 2030 | 717 | 2051 | 2845 | 812,5 | 830 | 875 | 14 | 1849 | 838 | 760 | 625 | 580 | 
| № машины | L1 | L2 | L3 | L4 | L5 | t1 | t2 | T1 | T2 | N | N2 | N3 | n1 | n2 | 
|---|---|---|---|---|---|---|---|---|---|---|---|---|---|---|
| 6,3 | 184 | 450 | 235 | - | 1075 | 122 | 95 | 366 | 285 | 8 | 12 | 4 | 3 | 3 | 
| 8 | 215 | 420 | 245 | - | 1275 | 90 | 118 | 450 | 354 | 12 | 12 | 4 | 5 | 3 | 
| 9 | 296 | 450 | 245 | 393 | 1275 | 100 | 97 | 500 | 388 | 12 | 18 | 5 | 5 | 4 | 
| 10 | 315 | 450 | 245 | 450 | 1422 | 92 | 85 | 552 | 425 | 12 | 22 | 5 | 6 | 5 | 
| 11,2 | 300 | 650 | 370 | 620 | 990 | 121 | 118 | 605 | 472 | 12 | 18 | 5 | 5 | 4 | 
| 12,5 | 326 | 650 | 370 | 620 | 990 | 135 | 104 | 675 | 520 | 16 | 20 | 5 | 5 | 5 | 
| 13 | 381 | 650 | 370 | 620 | 990 | 75 | 63 | 675 | 630 | 16 | 38 | 5 | 9 | 10 | 

| Типо-размер машины | n, мин-1; | Зона измерений | Значение Lpi, дБ в октавных полосах f, Гц | LpA, дБА | ||||||
|---|---|---|---|---|---|---|---|---|---|---|
| 125 | 250 | 500 | 1000 | 2000 | 4000 | 8000 | ||||
| Уровни звуковой мощности, дБ | ||||||||||
| ДН-8 | 1000 | Нагнетание | 86 | 90 | 88 | 85 | 83 | 77 | 70 | 91 | 
| Всасывание | 82 | 86 | 84 | 81 | 79 | 73 | 66 | 87 | ||
| Вокруг корпуса | 77 | 81 | 78 | 75 | 72 | 65 | 58 | 80 | ||
| 1500 | Нагнетание | 94 | 96 | 101 | 98 | 95 | 90 | 85 | 103 | |
| Всасывание | 90 | 92 | 97 | 94 | 91 | 87 | 81 | 99 | ||
| Вокруг корпуса | 85 | 87 | 91 | 88 | 84 | 78 | 73 | 92 | ||
