Скачать опросный лист
Вентиляторы крышные ВКРМ №4 исп-1 устанавливаются на кровле промышленных, общественных и жилых зданий как главный элемент вытяжных вентиляционных система. Вентиляторы используются для удаления воздуха и невзрывоопасные газовоздушных смесей с агрессивностью по отношению к углеродистым сталям не выше агрессивности воздушных масс. Рабочая среда не должна содержать липкие вещества и волокнистые материалы, максимальная допустимая концентрация пыли 100 г/м3.
Скачать опросный лист
Вентиляторы ВКРМ №4 исп-1 низкого давления одностороннего всасывания эксплуатируются в условиях умеренного и тропического климата (У и Т) 1-й категории размещения (эксплуатация на открытом воздухе).
Вентиляторы не предназначены для работы с сетью воздуховодов. Но при обеспечении оптимальной работы и производительности выше минимальной возможно подключение сети воздуховодов.
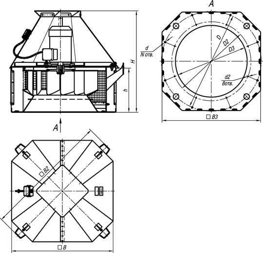
Основные части конструкции ВКРМ №4 исп-1 — рама, двигатель, рабочее колесо, диффузор, защитное ограждение, колпак. Рабочее колесо имеет 13 (№3,15 – 8) или 12 (№10 – 12,5) загнутых назад лопаток. Исполнение 1 — рабочее колесо на валу электродвигателя.
Вентиляторы крышные ВКРМ №4 исп-1 устанавливаются на кровле промышленных, общественных и жилых зданий как главный элемент вытяжных вентиляционных система. Вентиляторы используются для удаления воздуха и невзрывоопасные газовоздушных смесей с агрессивностью по отношению к углеродистым сталям не выше агрессивности воздушных масс. Рабочая среда не должна содержать липкие вещества и волокнистые материалы, максимальная допустимая концентрация пыли 100 г/м3.
|
Масса сухая, кг
|
55, 60 |
|
Производ. 10³ х м³/час
|
1,4-3,3, 2,1-5,0 |
|
Статическое давление, Па
|
160-0, 380-0 |
|
Мощность электродвигателя, кВт
|
0,37, 1,1 |
|
Частота вращения рабочего колеса,мин-1
|
915, 1410 |

| D | D2 | D3 | d | d2 | B | B2 | B3 | H | h | N |
|---|---|---|---|---|---|---|---|---|---|---|
| 595 | 430 | 380 | 16 | M8 | 620 | 895 | 640 | 695 | 265 | 8 |

| Типоразмер вентилятора | Частота, n, мин-1 | Значение Lpi, дБ в окатвных полосах f, Гц | LpA, дБА | |||||||
|---|---|---|---|---|---|---|---|---|---|---|
| 63 | 125 | 250 | 500 | 1000 | 2000 | 4000 | 8000 | |||
| №4 | 920 | 69 | 74 | 76 | 81 | 74 | 68 | 57 | 50 | 80 |
| 1 420 | 78 | 83 | 85 | 90 | 84 | 77 | 66 | 59 | 89 | |
ПРИМЕЧАНИЕ: Акустические характеристики измерены со стороны нагнетания при номинальном режиме работы вентилятора. На стороне всасывания уровни звуковой мощности на 3 дБ ниже уровня, приведенных в таблице.
На границах рабочего участка аэродинамические уровни звуковой мощности на 3 дБ выше уровня звуковой мощности, соответствующего номинальному режиму работы вентилятора.