Размер шрифта
Цвет фона и шрифта
Изображения
Озвучивание текста
Обычная версия сайта
Изготовление, монтаж и комплексное оснащение промышленным оборудованием объектов энергетики
+7 (812) 380-94-00
+7 (812) 380-94-00
Заказать звонок
E-mail
info@stigmash.ru
Адрес
Санкт-Петербург, Пушкин, ул. Сетевая, д. 10 лит. А
Подать заявку
Акции
Каталог оборудования
  • Котельное оборудование
    • Котлы
    • Деаэраторы атмосферные
    • Деаэраторы вакуумные
    • Фильтры ФОВ
    • Фильтры ФИПа
    • Солерастворители
    • Установка "Комплексон-6"
    • Холодильники отбора проб пара и воды
    • Водоподготовительные установки
    • Емкостное оборудование
  • Отопительное оборудование
    • Калориферы промышленные
    • Калориферы электрические
    • Агрегаты воздушно-отопительные
    • Воздухонагревательные установки
    • Промышленные тепловые вентиляторы
    • Воздушные теплозавесы
  • Теплообменное оборудование
    • Подогреватели водоводяные
    • Подогреватели пароводяные
    • Подогреватели ёмкостные
    • Подогреватели мазута
    • Подогреватели МВН
    • Теплообменники базовые
    • Пластинчатые теплообменики
    • Подогреватели сетевой воды
    • Подогреватели высокого давления ПВ (ПВД)
    • Подогреватели низкого давления ПН (ПНД)
    • Охладители конденсата
  • Вентиляторы промышленные
    • Осевые вентиляторы
    • Радиальные вентиляторы
    • Канальные вентиляторы
    • Пылевые вентиляторы
    • Крышные вентиляторы
    • Вентиляторы шахтные
    • Комплектующие к вентиляторам
  • Вентиляторы дымоудаления
    • Радиальные вентиляторы дымоудаления
    • Вентиляторы дымоудаления крышные
    • Дымососы противопожарные ДПЭ-ВЦ
  • Дымососы
    • Дымососы Д
    • Дымососы ДН
    • Дымососы ДНx2, Дx2
    • Дутьевые вентиляторы ВДН, ВД
    • Мельничные вентиляторы
    • Вентиляторы ВСК
    • Вентиляторы ВНЖ
    • Дымососы осевые ДОД
    • Дымососы-пылеуловители ДП
    • Вентиляторы и дымососы горячего дутья
    • Тягодутьевые машины типа ВВН и ВВР
    • Карманы всасывающие
  • Пылеулавливающее оборудование
    • Циклоны
    • Агрегаты пылеулавливающие ЗИЛ
  • Насосы промышленные
    • Консольные насосы
    • Скважинные насосы
    • Секционные насосы
    • Фекальные насосы
    • Химические насосы
    • Винтовые насосы для нефти
    • Насосы шестеренчатые
    • Насосы для перекачки бензина
    • Насосы вихревые
    • Конденсатные насосы
    • Песковые насосы
    • Массные насосы
    • Насосы для пищевой промышленности
  • Электродвигатели
    • Электродвигатели асинхронные
    • Электродвигатели крановые
    • Электродвигатели взрывозащищенные
    • Электродвигатели высоковольтные
  • Элементы трубопровода
    • Грязевики
    • Компенсаторы сильфонные осевые
    • Трубы ППУ с ОДК
    • Неподвижные опоры для труб
Услуги
  • Проектирование
    • Проектирование блочно-модульных котельных
    • Проектирование тепловых пунктов
    • Проектирование узлов учета
    • Проектирование систем отопления
    • Проектирование перевооружения котельных
  • Капитальный ремонт и реконструкция
    • Реконструкция котельных
    • Капитальный ремонт тепловых сетей
  • Монтаж
    • Блочно-модульные котельные
    • Монтаж котельного оборудования
    • Монтаж теплосетей
    • Монтаж дымовых труб
  • Ремонт оборудования
    • Ремонт насосного оборудования
    • Ремонт электродвигателей
    • Ремонт теплообменников
    • Ремонт калориферов
    • Ремонт вентиляторов и дымососов
Наши объекты
О компании
  • История
  • Галерея
  • Лицензии и сертификаты
  • Производители
  • Отзывы
  • Документы
Помощь
  • Оплата и доставка
  • Новости
  • Статьи
  • Вопрос-ответ
Контакты
Санкт-Петербург
0
0
Санкт-Петербург
Санкт-Петербург, Пушкин, ул. Сетевая, д. 10 лит. А
+7 (812) 380-94-00
+7 (812) 380-94-00
Заказать звонок
E-mail
info@stigmash.ru
Адрес
Санкт-Петербург, Пушкин, ул. Сетевая, д. 10 лит. А
Заказать звонок
Войти
0 Сравнение
0 Корзина
Акции
Каталог оборудования
  • Котельное оборудование
    Котельное оборудование
    • Котлы      
      • Водогрейные
      • Паровые
    • Деаэраторы атмосферные      
      • Баки деаэраторные
      • Колонки деаэрационные
      • Охладители выпара ОВА
    • Деаэраторы вакуумные      
      • Охладители выпара ОВВ
    • Фильтры ФОВ
    • Фильтры ФИПа
    • Солерастворители
    • Установка "Комплексон-6"
    • Холодильники отбора проб пара и воды
    • Водоподготовительные установки
    • Емкостное оборудование
    • Еще
  • Отопительное оборудование
    Отопительное оборудование
    • Калориферы промышленные      
      • Водяные КСк
      • Паровые КПСк
      • ВНВ
      • ВНП
    • Калориферы электрические      
      • ВНЭ
      • ЭКО
    • Агрегаты воздушно-отопительные
    • Воздухонагревательные установки      
      • ЭКОЦ
      • УВНЭ
      • ВНУ
      • ВТУ
    • Промышленные тепловые вентиляторы      
      • Электрические
      • Водяные
      • Газовые
    • Воздушные теплозавесы      
      • Электрические
      • Водяные
      • Газовые
      • Без нагрева
  • Теплообменное оборудование
    Теплообменное оборудование
    • Подогреватели водоводяные
    • Подогреватели пароводяные
    • Подогреватели ёмкостные
    • Подогреватели мазута
    • Подогреватели МВН
    • Теплообменники базовые
    • Пластинчатые теплообменики      
      • Альфа Лаваль
      • Полуразборные
      • Разборные
    • Подогреватели сетевой воды
    • Подогреватели высокого давления ПВ (ПВД)
    • Подогреватели низкого давления ПН (ПНД)
    • Охладители конденсата
    • Еще
  • Вентиляторы промышленные
    Вентиляторы промышленные
    • Осевые вентиляторы      
      • ВО 06-300
      • ВО 14-320
      • ВО 25-188
      • ВО 30-160
      • Оконные
    • Радиальные вентиляторы      
      • ВР 80-75
      • ВР 132-30
      • ВР 12-26
      • ВР 9-55
      • ВР 5-35, 5-45
      • ВЦ 14-46
    • Канальные вентиляторы      
      • Круглые
    • Пылевые вентиляторы      
      • ВР 140-40
      • ВЦП 7-40
    • Крышные вентиляторы      
      • ВКР
      • ВКРм
      • ВКРВм
      • ВКРСм
      • ВОКП
    • Вентиляторы шахтные      
      • ВМЭ
      • ВЦ и ВЦД
      • ВШЦ и ВЦП
      • ВО-ДР
      • ВО-ДН
      • ВОЭ
      • ВОМ
    • Комплектующие к вентиляторам
  • Вентиляторы дымоудаления
    Вентиляторы дымоудаления
    • Радиальные вентиляторы дымоудаления      
      • ВР 86-77 ДУ
      • ВР 280-46 ДУ
      • ВРС ДУ
      • ВРН ДУ
    • Вентиляторы дымоудаления крышные      
      • ВКР1ДУ
      • ВКРМ ДУ
      • ВКРВМ ДУ
      • ВКРСМ ДУ
    • Дымососы противопожарные ДПЭ-ВЦ
  • Дымососы
    Дымососы
    • Дымососы Д
    • Дымососы ДН
    • Дымососы ДНx2, Дx2      
      • Дымососы ДНх2
      • Дымососы Дх2
    • Дутьевые вентиляторы ВДН, ВД
    • Мельничные вентиляторы      
      • Вентиляторы ВМ
      • Вентиляторы ВМН
    • Вентиляторы ВСК
    • Вентиляторы ВНЖ
    • Дымососы осевые ДОД
    • Дымососы-пылеуловители ДП
    • Вентиляторы и дымососы горячего дутья
    • Тягодутьевые машины типа ВВН и ВВР
    • Карманы всасывающие
    • Еще
  • Пылеулавливающее оборудование
    Пылеулавливающее оборудование
    • Циклоны      
      • Циклон ЦН-11
      • Циклон ЦН-15
      • Циклон ЦН-15У
      • Циклон ЦН-24
    • Агрегаты пылеулавливающие ЗИЛ
  • Насосы промышленные
    Насосы промышленные
    • Консольные насосы      
      • К
      • КМ
    • Скважинные насосы      
      • ЭЦВ-4
      • ЭЦВ-5
      • ЭЦВ-6
      • ЭЦВ-8
      • ЭЦВ-10
      • ЭЦВ-12
      • Станции управления СУЗ
    • Секционные насосы
    • Фекальные насосы      
      • Поверхностные
      • Погружные
    • Химические насосы      
      • Х
      • АХ
      • АХП
      • КМХ
      • ХЦМ
    • Винтовые насосы для нефти
    • Насосы шестеренчатые      
      • Ш
      • НМШ
    • Насосы для перекачки бензина
    • Насосы вихревые
    • Конденсатные насосы
    • Песковые насосы
    • Массные насосы
    • Насосы для пищевой промышленности      
      • Насосы для вязких жидкостей
      • Насосы для перекачки молока и молочных продуктов
    • Еще
  • Электродвигатели
    Электродвигатели
    • Электродвигатели асинхронные
    • Электродвигатели крановые      
      • МТКН
      • МТН
    • Электродвигатели взрывозащищенные
    • Электродвигатели высоковольтные      
      • А4
      • ДАЗО4
  • Элементы трубопровода
    Элементы трубопровода
    • Грязевики      
      • Абонентские
      • Вертикальные
      • Горизонтальные
    • Компенсаторы сильфонные осевые      
      • Односекционные
      • Двухсекционные
    • Трубы ППУ с ОДК
    • Неподвижные опоры для труб
Услуги
  • Проектирование
    Проектирование
    • Проектирование блочно-модульных котельных
    • Проектирование тепловых пунктов
    • Проектирование узлов учета
    • Проектирование систем отопления
    • Проектирование перевооружения котельных
  • Капитальный ремонт и реконструкция
    Капитальный ремонт и реконструкция
    • Реконструкция котельных
    • Капитальный ремонт тепловых сетей
  • Монтаж
    Монтаж
    • Блочно-модульные котельные
    • Монтаж котельного оборудования
    • Монтаж теплосетей
    • Монтаж дымовых труб
  • Ремонт оборудования
    Ремонт оборудования
    • Ремонт насосного оборудования
    • Ремонт электродвигателей
    • Ремонт теплообменников
    • Ремонт калориферов
    • Ремонт вентиляторов и дымососов
Наши объекты
О компании
  • История
  • Галерея
  • Лицензии и сертификаты
  • Производители
  • Отзывы
  • Документы
Помощь
  • Оплата и доставка
  • Новости
  • Статьи
  • Вопрос-ответ
Контакты
    Подать заявку
    Санкт-Петербург
    +7 (812) 380-94-00
    +7 (812) 380-94-00
    Заказать звонок
    E-mail
    info@stigmash.ru
    Адрес
    Санкт-Петербург, Пушкин, ул. Сетевая, д. 10 лит. А
    Заказать звонок
    Поиск
    Войти
    0
    0 Корзина
    Подать заявку
    0
    0
    • Акции
    • Каталог оборудования
      • Каталог оборудования
      • Котельное оборудование
        • Котельное оборудование
        • Котлы
          • Котлы
          • Водогрейные
          • Паровые
        • Деаэраторы атмосферные
          • Деаэраторы атмосферные
          • Баки деаэраторные
          • Колонки деаэрационные
          • Охладители выпара ОВА
        • Деаэраторы вакуумные
          • Деаэраторы вакуумные
          • Охладители выпара ОВВ
        • Фильтры ФОВ
        • Фильтры ФИПа
        • Солерастворители
        • Установка "Комплексон-6"
        • Холодильники отбора проб пара и воды
        • Водоподготовительные установки
        • Емкостное оборудование
      • Отопительное оборудование
        • Отопительное оборудование
        • Калориферы промышленные
          • Калориферы промышленные
          • Водяные КСк
          • Паровые КПСк
          • ВНВ
          • ВНП
        • Калориферы электрические
          • Калориферы электрические
          • ВНЭ
          • ЭКО
        • Агрегаты воздушно-отопительные
        • Воздухонагревательные установки
          • Воздухонагревательные установки
          • ЭКОЦ
          • УВНЭ
          • ВНУ
          • ВТУ
        • Промышленные тепловые вентиляторы
          • Промышленные тепловые вентиляторы
          • Электрические
          • Водяные
          • Газовые
        • Воздушные теплозавесы
          • Воздушные теплозавесы
          • Электрические
          • Водяные
          • Газовые
          • Без нагрева
      • Теплообменное оборудование
        • Теплообменное оборудование
        • Подогреватели водоводяные
        • Подогреватели пароводяные
        • Подогреватели ёмкостные
        • Подогреватели мазута
        • Подогреватели МВН
        • Теплообменники базовые
        • Пластинчатые теплообменики
          • Пластинчатые теплообменики
          • Альфа Лаваль
          • Полуразборные
          • Разборные
        • Подогреватели сетевой воды
        • Подогреватели высокого давления ПВ (ПВД)
        • Подогреватели низкого давления ПН (ПНД)
        • Охладители конденсата
      • Вентиляторы промышленные
        • Вентиляторы промышленные
        • Осевые вентиляторы
          • Осевые вентиляторы
          • ВО 06-300
          • ВО 14-320
          • ВО 25-188
          • ВО 30-160
          • Оконные
        • Радиальные вентиляторы
          • Радиальные вентиляторы
          • ВР 80-75
          • ВР 132-30
          • ВР 12-26
          • ВР 9-55
          • ВР 5-35, 5-45
          • ВЦ 14-46
        • Канальные вентиляторы
          • Канальные вентиляторы
          • Круглые
        • Пылевые вентиляторы
          • Пылевые вентиляторы
          • ВР 140-40
          • ВЦП 7-40
        • Крышные вентиляторы
          • Крышные вентиляторы
          • ВКР
          • ВКРм
          • ВКРВм
          • ВКРСм
          • ВОКП
        • Вентиляторы шахтные
          • Вентиляторы шахтные
          • ВМЭ
          • ВЦ и ВЦД
          • ВШЦ и ВЦП
          • ВО-ДР
          • ВО-ДН
          • ВОЭ
          • ВОМ
        • Комплектующие к вентиляторам
      • Вентиляторы дымоудаления
        • Вентиляторы дымоудаления
        • Радиальные вентиляторы дымоудаления
          • Радиальные вентиляторы дымоудаления
          • ВР 86-77 ДУ
          • ВР 280-46 ДУ
          • ВРС ДУ
          • ВРН ДУ
        • Вентиляторы дымоудаления крышные
          • Вентиляторы дымоудаления крышные
          • ВКР1ДУ
          • ВКРМ ДУ
          • ВКРВМ ДУ
          • ВКРСМ ДУ
        • Дымососы противопожарные ДПЭ-ВЦ
      • Дымососы
        • Дымососы
        • Дымососы Д
        • Дымососы ДН
        • Дымососы ДНx2, Дx2
          • Дымососы ДНx2, Дx2
          • Дымососы ДНх2
          • Дымососы Дх2
        • Дутьевые вентиляторы ВДН, ВД
        • Мельничные вентиляторы
          • Мельничные вентиляторы
          • Вентиляторы ВМ
          • Вентиляторы ВМН
        • Вентиляторы ВСК
        • Вентиляторы ВНЖ
        • Дымососы осевые ДОД
        • Дымососы-пылеуловители ДП
        • Вентиляторы и дымососы горячего дутья
        • Тягодутьевые машины типа ВВН и ВВР
        • Карманы всасывающие
      • Пылеулавливающее оборудование
        • Пылеулавливающее оборудование
        • Циклоны
          • Циклоны
          • Циклон ЦН-11
          • Циклон ЦН-15
          • Циклон ЦН-15У
          • Циклон ЦН-24
        • Агрегаты пылеулавливающие ЗИЛ
      • Насосы промышленные
        • Насосы промышленные
        • Консольные насосы
          • Консольные насосы
          • К
          • КМ
        • Скважинные насосы
          • Скважинные насосы
          • ЭЦВ-4
          • ЭЦВ-5
          • ЭЦВ-6
          • ЭЦВ-8
          • ЭЦВ-10
          • ЭЦВ-12
          • Станции управления СУЗ
        • Секционные насосы
        • Фекальные насосы
          • Фекальные насосы
          • Поверхностные
          • Погружные
        • Химические насосы
          • Химические насосы
          • Х
          • АХ
          • АХП
          • КМХ
          • ХЦМ
        • Винтовые насосы для нефти
        • Насосы шестеренчатые
          • Насосы шестеренчатые
          • Ш
          • НМШ
        • Насосы для перекачки бензина
        • Насосы вихревые
        • Конденсатные насосы
        • Песковые насосы
        • Массные насосы
        • Насосы для пищевой промышленности
          • Насосы для пищевой промышленности
          • Насосы для вязких жидкостей
          • Насосы для перекачки молока и молочных продуктов
      • Электродвигатели
        • Электродвигатели
        • Электродвигатели асинхронные
        • Электродвигатели крановые
          • Электродвигатели крановые
          • МТКН
          • МТН
        • Электродвигатели взрывозащищенные
        • Электродвигатели высоковольтные
          • Электродвигатели высоковольтные
          • А4
          • ДАЗО4
      • Элементы трубопровода
        • Элементы трубопровода
        • Грязевики
          • Грязевики
          • Абонентские
          • Вертикальные
          • Горизонтальные
        • Компенсаторы сильфонные осевые
          • Компенсаторы сильфонные осевые
          • Односекционные
          • Двухсекционные
        • Трубы ППУ с ОДК
        • Неподвижные опоры для труб
    • Услуги
      • Услуги
      • Проектирование
        • Проектирование
        • Проектирование блочно-модульных котельных
        • Проектирование тепловых пунктов
        • Проектирование узлов учета
        • Проектирование систем отопления
        • Проектирование перевооружения котельных
      • Капитальный ремонт и реконструкция
        • Капитальный ремонт и реконструкция
        • Реконструкция котельных
        • Капитальный ремонт тепловых сетей
      • Монтаж
        • Монтаж
        • Блочно-модульные котельные
        • Монтаж котельного оборудования
        • Монтаж теплосетей
        • Монтаж дымовых труб
      • Ремонт оборудования
        • Ремонт оборудования
        • Ремонт насосного оборудования
        • Ремонт электродвигателей
        • Ремонт теплообменников
        • Ремонт калориферов
        • Ремонт вентиляторов и дымососов
    • Наши объекты
    • О компании
      • О компании
      • История
      • Галерея
      • Лицензии и сертификаты
      • Производители
      • Отзывы
      • Документы
    • Помощь
      • Помощь
      • Оплата и доставка
      • Новости
      • Статьи
      • Вопрос-ответ
    • Контакты
    Подать заявку
    • Санкт-Петербург
      • Города
      • Челябинск
      • Екатеринбург
      • Магнитогорск
      • Москва
      • Санкт-Петербург
    • Кабинет
    • 0 Сравнение
    • 0 Корзина
    • +7 (812) 380-94-00
      • Телефоны
      • +7 (812) 380-94-00
      • Заказать звонок
    • Санкт-Петербург, Пушкин, ул. Сетевая, д. 10 лит. А
    • info@stigmash.ru

    Калориферы электрические (ЭКО)

    Главная
    —
    Отопительное оборудование
    —
    Калориферы электрические
    —Калориферы электрические (ЭКО)
    Фильтр
    По популярности (возрастание)
    По наименованию (А-Я)
    По наименованию (Я-А)
    По популярности (возрастание)
    По популярности (убывание)
    По цене (сначала дешёвые)
    По цене (сначала дорогие)
    Электрокалорифер ЭКО-10
    ЭКО
    Электрокалорифер ЭКО-10
    Цена по запросу
    Подробнее
    Электрокалорифер ЭКО-100
    ЭКО
    Электрокалорифер ЭКО-100
    Цена по запросу
    Подробнее
    Электрокалорифер ЭКО-16
    ЭКО
    Электрокалорифер ЭКО-16
    Цена по запросу
    Подробнее
    Электрокалорифер ЭКО-160
    ЭКО
    Электрокалорифер ЭКО-160
    Цена по запросу
    Подробнее
    Электрокалорифер ЭКО-25
    ЭКО
    Электрокалорифер ЭКО-25
    Цена по запросу
    Подробнее
    Электрокалорифер ЭКО-250
    ЭКО
    Электрокалорифер ЭКО-250
    Цена по запросу
    Подробнее
    Электрокалорифер ЭКО-40
    ЭКО
    Электрокалорифер ЭКО-40
    Цена по запросу
    Подробнее
    Электрокалорифер ЭКО-5
    ЭКО
    Электрокалорифер ЭКО-5
    Цена по запросу
    Подробнее
    Электрокалорифер ЭКО-60
    ЭКО
    Электрокалорифер ЭКО-60
    Цена по запросу
    Подробнее

    Строение и принцип действия

    Внешне нагреватели ЭКО представляют собой металлический блок: в металлическом корпусе заключены несколько (от одного до четырех) электрических ТЭНов. Обеспечена изоляция каждого ряда ТЭНов от соседних. Каждая секция имеет свой вывод, помещенный в коробку закрытого типа. Два биметаллических датчика автоматически исключают перегрев воздуха (отключает оборудование при достижении уровня 70-100°С) или возгорание при перегреве корпуса (отключение при температуре 100-130°С).

    Воздух, подаваемый в обогреватель, проходит секции, в которых подогревается. Нагретый до определенной температуры воздушный поток подается в обслуживаемые залы, цеха, ангары и другие помещения, быстро доводя температуру всего пространства до нужного температурного уровня.

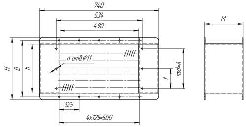
    Габаритные размеры электрокалориферов ЭКО

    Тип изделия Размеры, мм
    h B H t А M n m V, м3
    ЭКО-5
    145
    190
    225
    100
    100
    170
    28
    1
    0,031
    ЭКО-10
    170
    215
    250
    125
    125
    175
    28
    1
    0,031
    ЭКО-16
    170
    215
    250
    125
    125
    175
    28
    1
    0,031
    ЭКО-25
    170
    215
    250
    125
    125
    240
    28
    1
    0,044
    ЭКО-40
    305
    350
    385
    125
    250
    240
    32
    2
    0,068
    ЭКО-60
    440
    485
    520
    150
    300
    240
    32
    2
    0,092
    ЭКО-100
    575
    620
    655
    150
    450
    240
    32
    3
    0,116
    ЭКО-160
    980
    1025
    1060
    150
    600
    240
    40
    4
    0,188
    ЭКО-250
    1150
    1195
    1230
    150
    900
    305
    48
    6
    0,278

    Каталог
    • Котельное оборудование
      • Котлы
        • Водогрейные
        • Паровые
        • Котлы водогрейные Отопительные водогрейные жаротрубные котлы ТЕРМОТЕХНИК мощнос
        • Котлы водогрейные Отопительные водогрейные жаротрубные котлы ТЕРМОТЕХНИК мощнос
        • Котлы водогрейные Отопительные водогрейные жаротрубные котлы ТЕРМОТЕХНИК мощнос
      • Деаэраторы атмосферные
        • Баки деаэраторные
        • Колонки деаэрационные
        • Охладители выпара ОВА
      • Деаэраторы вакуумные
        • Охладители выпара ОВВ
      • Фильтры ФОВ
      • Фильтры ФИПа
      • Солерастворители
      • Установка "Комплексон-6"
      • Холодильники отбора проб пара и воды
      • Водоподготовительные установки
      • Емкостное оборудование
    • Отопительное оборудование
      • Калориферы промышленные
        • Водяные КСк
        • Паровые КПСк
        • ВНВ
        • ВНП
      • Калориферы электрические
        • ВНЭ
        • ЭКО
      • Агрегаты воздушно-отопительные
      • Воздухонагревательные установки
      • Промышленные тепловые вентиляторы
      • Воздушные теплозавесы
    • Теплообменное оборудование
      • Подогреватели водоводяные
      • Подогреватели пароводяные
      • Подогреватели ёмкостные
      • Подогреватели мазута
      • Подогреватели МВН
      • Теплообменники базовые
      • Пластинчатые теплообменики
        • Альфа Лаваль
        • Полуразборные
        • Разборные
      • Подогреватели сетевой воды
      • Подогреватели высокого давления ПВ (ПВД)
      • Подогреватели низкого давления ПН (ПНД)
      • Охладители конденсата
    • Вентиляторы промышленные
      • Осевые вентиляторы
        • ВО 06-300
        • ВО 14-320
        • ВО 25-188
        • ВО 30-160
        • Оконные
      • Радиальные вентиляторы
        • ВР 80-75
        • ВР 132-30
        • ВР 12-26
        • ВР 9-55
        • ВР 5-35, 5-45
        • ВЦ 14-46
      • Канальные вентиляторы
        • Круглые
      • Пылевые вентиляторы
        • ВР 140-40
        • ВЦП 7-40
      • Крышные вентиляторы
        • ВКР
        • ВКРм
        • ВКРВм
        • ВКРСм
        • ВОКП
      • Вентиляторы шахтные
        • ВМЭ
        • ВЦ и ВЦД
        • ВШЦ и ВЦП
        • ВО-ДР
        • ВО-ДН
        • ВОЭ
        • ВОМ
      • Комплектующие к вентиляторам
    • Вентиляторы дымоудаления
      • Радиальные вентиляторы дымоудаления
        • ВР 86-77 ДУ
        • ВР 280-46 ДУ
        • ВРС ДУ
        • ВРН ДУ
      • Вентиляторы дымоудаления крышные
        • ВКР1ДУ
        • ВКРМ ДУ
        • ВКРВМ ДУ
        • ВКРСМ ДУ
      • Дымососы противопожарные ДПЭ-ВЦ
    • Дымососы
      • Дымососы Д
      • Дымососы ДН
      • Дымососы ДНx2, Дx2
        • Дымососы ДНх2
        • Дымососы Дх2
      • Дутьевые вентиляторы ВДН, ВД
      • Мельничные вентиляторы
        • Вентиляторы ВМ
        • Вентиляторы ВМН
      • Вентиляторы ВСК
      • Вентиляторы ВНЖ
      • Дымососы осевые ДОД
      • Дымососы-пылеуловители ДП
      • Вентиляторы и дымососы горячего дутья
      • Тягодутьевые машины типа ВВН и ВВР
      • Карманы всасывающие
    • Пылеулавливающее оборудование
      • Циклоны
        • Циклон ЦН-11
        • Циклон ЦН-15
        • Циклон ЦН-15У
        • Циклон ЦН-24
      • Агрегаты пылеулавливающие ЗИЛ
    • Насосы промышленные
      • Консольные насосы
        • К
        • КМ
      • Скважинные насосы
        • ЭЦВ-4
        • ЭЦВ-5
        • ЭЦВ-6
        • ЭЦВ-8
        • ЭЦВ-10
        • ЭЦВ-12
        • Станции управления СУЗ
      • Секционные насосы
      • Фекальные насосы
        • Поверхностные
        • Погружные
      • Химические насосы
        • Х
        • АХ
        • АХП
        • КМХ
        • ХЦМ
      • Винтовые насосы для нефти
      • Насосы шестеренчатые
        • Ш
        • НМШ
      • Насосы для перекачки бензина
      • Насосы вихревые
      • Конденсатные насосы
      • Песковые насосы
      • Массные насосы
      • Насосы для пищевой промышленности
        • Насосы для вязких жидкостей
        • Насосы для перекачки молока и молочных продуктов
    • Электродвигатели
      • Электродвигатели асинхронные
      • Электродвигатели крановые
        • МТКН
        • МТН
      • Электродвигатели взрывозащищенные
      • Электродвигатели высоковольтные
        • А4
        • ДАЗО4
    • Элементы трубопровода
      • Грязевики
        • Абонентские
        • Вертикальные
        • Горизонтальные
      • Компенсаторы сильфонные осевые
        • Односекционные
        • Двухсекционные
      • Трубы ППУ с ОДК
      • Неподвижные опоры для труб
    Компания
    История
    Галерея
    Лицензии и сертификаты
    Производители
    Отзывы
    Документы
    Каталог
    Котельное оборудование
    Отопительное оборудование
    Теплообменное оборудование
    Вентиляторы промышленные
    Вентиляторы дымоудаления
    Дымососы
    Пылеулавливающее оборудование
    Насосы промышленные
    Электродвигатели
    Элементы трубопровода
    Услуги
    Проектирование
    Капитальный ремонт и реконструкция
    Монтаж
    Ремонт оборудования
    Акции
    Оплата и доставка
    Статьи
    +7 (812) 380-94-00
    +7 (812) 380-94-00
    Заказать звонок
    E-mail
    info@stigmash.ru
    Адрес
    Санкт-Петербург, Пушкин, ул. Сетевая, д. 10 лит. А
    info@stigmash.ru
    Санкт-Петербург, Пушкин, ул. Сетевая, д. 10 лит. А
    © 2026 ГК «СТИГМАШ» - изготовление, монтаж и комплексная поставка промышленного оборудования
    Политика конфиденциальности
    Разработано в
    0 Корзина

    Ваша корзина пуста

    Исправить это просто: выберите в каталоге интересующий товар и нажмите кнопку «В корзину»
    Перейти в каталог
    Каталог Услуги Проекты Отзывы Контакты