Размер шрифта
Цвет фона и шрифта
Изображения
Озвучивание текста
Обычная версия сайта
Изготовление, монтаж и комплексное оснащение промышленным оборудованием объектов энергетики
+7 (812) 380-94-00
+7 (812) 380-94-00
Заказать звонок
E-mail
info@stigmash.ru
Адрес
Санкт-Петербург, Пушкин, Сетевая, д. 10литА
Режим работы
Пн-Пт - 9:00-18:00 (GMT+3)
Подать заявку
Акции
Каталог оборудования
  • Котельное оборудование
    • Котлы
    • Деаэраторы
    • Фильтры ФОВ
    • Фильтры ФИПа
    • Солерастворители
    • Установка "Комплексон-6"
    • Холодильники отбора проб пара и воды
    • Водоподготовительные установки
    • Емкостное оборудование
  • Отопительное оборудование
    • Калориферы промышленные
    • Калориферы электрические
    • Агрегаты воздушно-отопительные
    • Воздухонагревательные установки
    • Промышленные тепловые вентиляторы
    • Воздушные теплозавесы
  • Теплообменное оборудование
    • Подогреватели водоводяные
    • Подогреватели пароводяные
    • Подогреватели ёмкостные
    • Подогреватели мазута
    • Подогреватели МВН
    • Теплообменники базовые
    • Пластинчатые теплообменики
    • Подогреватели сетевой воды
    • Подогреватели высокого давления ПВ (ПВД)
    • Подогреватели низкого давления ПН (ПНД)
    • Охладители конденсата
  • Вентиляторы промышленные
    • Осевые вентиляторы
    • Радиальные вентиляторы
    • Канальные вентиляторы
    • Пылевые вентиляторы
    • Крышные вентиляторы
    • Вентиляторы шахтные
    • Комплектующие к вентиляторам
  • Вентиляторы дымоудаления
    • Радиальные вентиляторы дымоудаления
    • Вентиляторы дымоудаления крышные
    • Дымососы противопожарные ДПЭ-ВЦ
  • Дымососы
    • Дымососы Д
    • Дымососы ДН
    • Дымососы ДНx2, Дx2
    • Дутьевые вентиляторы ВДН, ВД
    • Мельничные вентиляторы
    • Вентиляторы ВСК
    • Вентиляторы ВНЖ
    • Дымососы осевые ДОД
    • Дымососы-пылеуловители ДП
    • Вентиляторы и дымососы горячего дутья
    • Тягодутьевые машины типа ВВН и ВВР
    • Карманы всасывающие
  • Пылеулавливающее оборудование
    • Циклоны
    • Агрегаты пылеулавливающие ЗИЛ
  • Насосы промышленные
    • Консольные насосы
    • Скважинные насосы
    • Секционные насосы
    • Фекальные насосы
    • Химические насосы
    • Винтовые насосы для нефти
    • Насосы шестеренчатые
    • Насосы для перекачки бензина
    • Насосы вихревые
    • Конденсатные насосы
    • Песковые насосы
    • Массные насосы
    • Насосы для пищевой промышленности
  • Электродвигатели
    • Электродвигатели асинхронные
    • Электродвигатели крановые
    • Электродвигатели взрывозащищенные
    • Электродвигатели высоковольтные
  • Элементы трубопровода
    • Грязевики
    • Компенсаторы сильфонные осевые
    • Трубы ППУ с ОДК
    • Неподвижные опоры для труб
Услуги
  • Проектирование
    • Проектирование блочно-модульных котельных
    • Проектирование тепловых пунктов
    • Проектирование узлов учета
    • Проектирование систем отопления
    • Проектирование перевооружения котельных
  • Капитальный ремонт и реконструкция
    • Реконструкция котельных
    • Капитальный ремонт тепловых сетей
  • Монтаж
    • Блочно-модульные котельные
    • Монтаж котельного оборудования
    • Монтаж теплосетей
    • Монтаж дымовых труб
  • Ремонт оборудования
    • Ремонт насосного оборудования
    • Ремонт электродвигателей
    • Ремонт теплообменников
    • Ремонт калориферов
    • Ремонт вентиляторов и дымососов
Наши объекты
О компании
  • История
  • Галерея
  • Лицензии и сертификаты
  • Производители
  • Отзывы
  • Документы
Помощь
  • Оплата и доставка
  • Новости
  • Статьи
  • Вопрос-ответ
Контакты
Санкт-Петербург
0
0
Санкт-Петербург
Санкт-Петербург, Пушкин, Сетевая, д. 10литА
+7 (812) 380-94-00
+7 (812) 380-94-00
Заказать звонок
E-mail
info@stigmash.ru
Адрес
Санкт-Петербург, Пушкин, Сетевая, д. 10литА
Режим работы
Пн-Пт - 9:00-18:00 (GMT+3)
Заказать звонок
Войти
0 Сравнение
0 Корзина
Акции
Каталог оборудования
  • Котельное оборудование
    Котельное оборудование
    • Котлы      
      • Водогрейные
      • Паровые
    • Деаэраторы      
      • Деаэраторы атмосферные
      • Баки деаэраторные
      • Колонки деаэрационные
      • Деаэраторы вакуумные
      • Охладители выпара
    • Фильтры ФОВ
    • Фильтры ФИПа
    • Солерастворители
    • Установка "Комплексон-6"
    • Холодильники отбора проб пара и воды
    • Водоподготовительные установки
    • Емкостное оборудование
    • Еще
  • Отопительное оборудование
    Отопительное оборудование
    • Калориферы промышленные      
      • Водяные КСк
      • Паровые КПСк
      • ВНВ
      • ВНП
    • Калориферы электрические      
      • ВНЭ
      • ЭКО
    • Агрегаты воздушно-отопительные
    • Воздухонагревательные установки      
      • ЭКОЦ
      • УВНЭ
      • ВНУ
      • ВТУ
    • Промышленные тепловые вентиляторы      
      • Электрические
      • Водяные
      • Газовые
    • Воздушные теплозавесы      
      • Электрические
      • Водяные
      • Газовые
      • Без нагрева
  • Теплообменное оборудование
    Теплообменное оборудование
    • Подогреватели водоводяные
    • Подогреватели пароводяные
    • Подогреватели ёмкостные
    • Подогреватели мазута
    • Подогреватели МВН
    • Теплообменники базовые
    • Пластинчатые теплообменики      
      • Альфа Лаваль
      • Полуразборные
      • Разборные
    • Подогреватели сетевой воды
    • Подогреватели высокого давления ПВ (ПВД)
    • Подогреватели низкого давления ПН (ПНД)
    • Охладители конденсата
    • Еще
  • Вентиляторы промышленные
    Вентиляторы промышленные
    • Осевые вентиляторы      
      • ВО 06-300
      • ВО 14-320
      • ВО 25-188
      • ВО 30-160
      • Оконные
    • Радиальные вентиляторы      
      • ВР 80-75
      • ВР 132-30
      • ВР 12-26
      • ВР 9-55
      • ВР 5-35, 5-45
      • ВЦ 14-46
    • Канальные вентиляторы      
      • Круглые
    • Пылевые вентиляторы      
      • ВР 140-40
      • ВЦП 7-40
    • Крышные вентиляторы      
      • ВКР
      • ВКРм
      • ВКРВм
      • ВКРСм
      • ВОКП
    • Вентиляторы шахтные      
      • ВМЭ
      • ВЦ и ВЦД
      • ВШЦ и ВЦП
      • ВО-ДР
      • ВО-ДН
      • ВОЭ
      • ВОМ
    • Комплектующие к вентиляторам
  • Вентиляторы дымоудаления
    Вентиляторы дымоудаления
    • Радиальные вентиляторы дымоудаления      
      • ВР 86-77 ДУ
      • ВР 280-46 ДУ
      • ВРС ДУ
      • ВРН ДУ
    • Вентиляторы дымоудаления крышные      
      • ВКР1ДУ
      • ВКРМ ДУ
      • ВКРВМ ДУ
      • ВКРСМ ДУ
    • Дымососы противопожарные ДПЭ-ВЦ
  • Дымососы
    Дымососы
    • Дымососы Д
    • Дымососы ДН
    • Дымососы ДНx2, Дx2      
      • Дымососы ДНх2
      • Дымососы Дх2
    • Дутьевые вентиляторы ВДН, ВД
    • Мельничные вентиляторы      
      • Вентиляторы ВМ
      • Вентиляторы ВМН
    • Вентиляторы ВСК
    • Вентиляторы ВНЖ
    • Дымососы осевые ДОД
    • Дымососы-пылеуловители ДП
    • Вентиляторы и дымососы горячего дутья
    • Тягодутьевые машины типа ВВН и ВВР
    • Карманы всасывающие
    • Еще
  • Пылеулавливающее оборудование
    Пылеулавливающее оборудование
    • Циклоны      
      • Циклон ЦН-11
      • Циклон ЦН-15
      • Циклон ЦН-15У
      • Циклон ЦН-24
    • Агрегаты пылеулавливающие ЗИЛ
  • Насосы промышленные
    Насосы промышленные
    • Консольные насосы      
      • К
      • КМ
    • Скважинные насосы      
      • ЭЦВ-4
      • ЭЦВ-5
      • ЭЦВ-6
      • ЭЦВ-8
      • ЭЦВ-10
      • ЭЦВ-12
      • Станции управления СУЗ
    • Секционные насосы
    • Фекальные насосы      
      • Поверхностные
      • Погружные
    • Химические насосы      
      • Х
      • АХ
      • АХП
      • КМХ
      • ХЦМ
    • Винтовые насосы для нефти
    • Насосы шестеренчатые      
      • Ш
      • НМШ
    • Насосы для перекачки бензина
    • Насосы вихревые
    • Конденсатные насосы
    • Песковые насосы
    • Массные насосы
    • Насосы для пищевой промышленности      
      • Насосы для вязких жидкостей
      • Насосы для перекачки молока и молочных продуктов
    • Еще
  • Электродвигатели
    Электродвигатели
    • Электродвигатели асинхронные
    • Электродвигатели крановые      
      • МТКН
      • МТН
    • Электродвигатели взрывозащищенные
    • Электродвигатели высоковольтные      
      • А4
      • ДАЗО4
  • Элементы трубопровода
    Элементы трубопровода
    • Грязевики      
      • Абонентские
      • Вертикальные
      • Горизонтальные
    • Компенсаторы сильфонные осевые      
      • Односекционные
      • Двухсекционные
    • Трубы ППУ с ОДК
    • Неподвижные опоры для труб
Услуги
  • Проектирование
    Проектирование
    • Проектирование блочно-модульных котельных
    • Проектирование тепловых пунктов
    • Проектирование узлов учета
    • Проектирование систем отопления
    • Проектирование перевооружения котельных
  • Капитальный ремонт и реконструкция
    Капитальный ремонт и реконструкция
    • Реконструкция котельных
    • Капитальный ремонт тепловых сетей
  • Монтаж
    Монтаж
    • Блочно-модульные котельные
    • Монтаж котельного оборудования
    • Монтаж теплосетей
    • Монтаж дымовых труб
  • Ремонт оборудования
    Ремонт оборудования
    • Ремонт насосного оборудования
    • Ремонт электродвигателей
    • Ремонт теплообменников
    • Ремонт калориферов
    • Ремонт вентиляторов и дымососов
Наши объекты
О компании
  • История
  • Галерея
  • Лицензии и сертификаты
  • Производители
  • Отзывы
  • Документы
Помощь
  • Оплата и доставка
  • Новости
  • Статьи
  • Вопрос-ответ
Контакты
    Подать заявку
    Санкт-Петербург
    +7 (812) 380-94-00
    +7 (812) 380-94-00
    Заказать звонок
    E-mail
    info@stigmash.ru
    Адрес
    Санкт-Петербург, Пушкин, Сетевая, д. 10литА
    Режим работы
    Пн-Пт - 9:00-18:00 (GMT+3)
    Заказать звонок
    Поиск
    Войти
    0
    0 Корзина
    Подать заявку
    0
    0
    • Акции
    • Каталог оборудования
      • Каталог оборудования
      • Котельное оборудование
        • Котельное оборудование
        • Котлы
          • Котлы
          • Водогрейные
          • Паровые
        • Деаэраторы
          • Деаэраторы
          • Деаэраторы атмосферные
          • Баки деаэраторные
          • Колонки деаэрационные
          • Деаэраторы вакуумные
          • Охладители выпара
        • Фильтры ФОВ
        • Фильтры ФИПа
        • Солерастворители
        • Установка "Комплексон-6"
        • Холодильники отбора проб пара и воды
        • Водоподготовительные установки
        • Емкостное оборудование
      • Отопительное оборудование
        • Отопительное оборудование
        • Калориферы промышленные
          • Калориферы промышленные
          • Водяные КСк
          • Паровые КПСк
          • ВНВ
          • ВНП
        • Калориферы электрические
          • Калориферы электрические
          • ВНЭ
          • ЭКО
        • Агрегаты воздушно-отопительные
        • Воздухонагревательные установки
          • Воздухонагревательные установки
          • ЭКОЦ
          • УВНЭ
          • ВНУ
          • ВТУ
        • Промышленные тепловые вентиляторы
          • Промышленные тепловые вентиляторы
          • Электрические
          • Водяные
          • Газовые
        • Воздушные теплозавесы
          • Воздушные теплозавесы
          • Электрические
          • Водяные
          • Газовые
          • Без нагрева
      • Теплообменное оборудование
        • Теплообменное оборудование
        • Подогреватели водоводяные
        • Подогреватели пароводяные
        • Подогреватели ёмкостные
        • Подогреватели мазута
        • Подогреватели МВН
        • Теплообменники базовые
        • Пластинчатые теплообменики
          • Пластинчатые теплообменики
          • Альфа Лаваль
          • Полуразборные
          • Разборные
        • Подогреватели сетевой воды
        • Подогреватели высокого давления ПВ (ПВД)
        • Подогреватели низкого давления ПН (ПНД)
        • Охладители конденсата
      • Вентиляторы промышленные
        • Вентиляторы промышленные
        • Осевые вентиляторы
          • Осевые вентиляторы
          • ВО 06-300
          • ВО 14-320
          • ВО 25-188
          • ВО 30-160
          • Оконные
        • Радиальные вентиляторы
          • Радиальные вентиляторы
          • ВР 80-75
          • ВР 132-30
          • ВР 12-26
          • ВР 9-55
          • ВР 5-35, 5-45
          • ВЦ 14-46
        • Канальные вентиляторы
          • Канальные вентиляторы
          • Круглые
        • Пылевые вентиляторы
          • Пылевые вентиляторы
          • ВР 140-40
          • ВЦП 7-40
        • Крышные вентиляторы
          • Крышные вентиляторы
          • ВКР
          • ВКРм
          • ВКРВм
          • ВКРСм
          • ВОКП
        • Вентиляторы шахтные
          • Вентиляторы шахтные
          • ВМЭ
          • ВЦ и ВЦД
          • ВШЦ и ВЦП
          • ВО-ДР
          • ВО-ДН
          • ВОЭ
          • ВОМ
        • Комплектующие к вентиляторам
      • Вентиляторы дымоудаления
        • Вентиляторы дымоудаления
        • Радиальные вентиляторы дымоудаления
          • Радиальные вентиляторы дымоудаления
          • ВР 86-77 ДУ
          • ВР 280-46 ДУ
          • ВРС ДУ
          • ВРН ДУ
        • Вентиляторы дымоудаления крышные
          • Вентиляторы дымоудаления крышные
          • ВКР1ДУ
          • ВКРМ ДУ
          • ВКРВМ ДУ
          • ВКРСМ ДУ
        • Дымососы противопожарные ДПЭ-ВЦ
      • Дымососы
        • Дымососы
        • Дымососы Д
        • Дымососы ДН
        • Дымососы ДНx2, Дx2
          • Дымососы ДНx2, Дx2
          • Дымососы ДНх2
          • Дымососы Дх2
        • Дутьевые вентиляторы ВДН, ВД
        • Мельничные вентиляторы
          • Мельничные вентиляторы
          • Вентиляторы ВМ
          • Вентиляторы ВМН
        • Вентиляторы ВСК
        • Вентиляторы ВНЖ
        • Дымососы осевые ДОД
        • Дымососы-пылеуловители ДП
        • Вентиляторы и дымососы горячего дутья
        • Тягодутьевые машины типа ВВН и ВВР
        • Карманы всасывающие
      • Пылеулавливающее оборудование
        • Пылеулавливающее оборудование
        • Циклоны
          • Циклоны
          • Циклон ЦН-11
          • Циклон ЦН-15
          • Циклон ЦН-15У
          • Циклон ЦН-24
        • Агрегаты пылеулавливающие ЗИЛ
      • Насосы промышленные
        • Насосы промышленные
        • Консольные насосы
          • Консольные насосы
          • К
          • КМ
        • Скважинные насосы
          • Скважинные насосы
          • ЭЦВ-4
          • ЭЦВ-5
          • ЭЦВ-6
          • ЭЦВ-8
          • ЭЦВ-10
          • ЭЦВ-12
          • Станции управления СУЗ
        • Секционные насосы
        • Фекальные насосы
          • Фекальные насосы
          • Поверхностные
          • Погружные
        • Химические насосы
          • Химические насосы
          • Х
          • АХ
          • АХП
          • КМХ
          • ХЦМ
        • Винтовые насосы для нефти
        • Насосы шестеренчатые
          • Насосы шестеренчатые
          • Ш
          • НМШ
        • Насосы для перекачки бензина
        • Насосы вихревые
        • Конденсатные насосы
        • Песковые насосы
        • Массные насосы
        • Насосы для пищевой промышленности
          • Насосы для пищевой промышленности
          • Насосы для вязких жидкостей
          • Насосы для перекачки молока и молочных продуктов
      • Электродвигатели
        • Электродвигатели
        • Электродвигатели асинхронные
        • Электродвигатели крановые
          • Электродвигатели крановые
          • МТКН
          • МТН
        • Электродвигатели взрывозащищенные
        • Электродвигатели высоковольтные
          • Электродвигатели высоковольтные
          • А4
          • ДАЗО4
      • Элементы трубопровода
        • Элементы трубопровода
        • Грязевики
          • Грязевики
          • Абонентские
          • Вертикальные
          • Горизонтальные
        • Компенсаторы сильфонные осевые
          • Компенсаторы сильфонные осевые
          • Односекционные
          • Двухсекционные
        • Трубы ППУ с ОДК
        • Неподвижные опоры для труб
    • Услуги
      • Услуги
      • Проектирование
        • Проектирование
        • Проектирование блочно-модульных котельных
        • Проектирование тепловых пунктов
        • Проектирование узлов учета
        • Проектирование систем отопления
        • Проектирование перевооружения котельных
      • Капитальный ремонт и реконструкция
        • Капитальный ремонт и реконструкция
        • Реконструкция котельных
        • Капитальный ремонт тепловых сетей
      • Монтаж
        • Монтаж
        • Блочно-модульные котельные
        • Монтаж котельного оборудования
        • Монтаж теплосетей
        • Монтаж дымовых труб
      • Ремонт оборудования
        • Ремонт оборудования
        • Ремонт насосного оборудования
        • Ремонт электродвигателей
        • Ремонт теплообменников
        • Ремонт калориферов
        • Ремонт вентиляторов и дымососов
    • Наши объекты
    • О компании
      • О компании
      • История
      • Галерея
      • Лицензии и сертификаты
      • Производители
      • Отзывы
      • Документы
    • Помощь
      • Помощь
      • Оплата и доставка
      • Новости
      • Статьи
      • Вопрос-ответ
    • Контакты
    Подать заявку
    • Санкт-Петербург
      • Города
      • Челябинск
      • Екатеринбург
      • Магнитогорск
      • Москва
      • Санкт-Петербург
    • Кабинет
    • 0 Сравнение
    • 0 Корзина
    • +7 (812) 380-94-00
      • Телефоны
      • +7 (812) 380-94-00
      • Заказать звонок
    • Санкт-Петербург, Пушкин, Сетевая, д. 10литА
    • info@stigmash.ru
    • Пн-Пт - 9:00-18:00 (GMT+3)

    Химические центробежные насосы (ХЦМ)

    Главная
    —
    Насосы промышленные
    —
    Насосы химически стойкие
    —Химические центробежные насосы (ХЦМ)
    Фильтр
    По популярности (возрастание)
    По наименованию (А-Я)
    По наименованию (Я-А)
    По популярности (возрастание)
    По популярности (убывание)
    По цене (сначала дешёвые)
    По цене (сначала дорогие)
    Химический центробежный насос ХЦМ 1/10
    ХЦМ
    Химический центробежный насос ХЦМ 1/10
    Цена по запросу
    Подробнее
    Химический центробежный насос ХЦМ 12/25
    ХЦМ
    Химический центробежный насос ХЦМ 12/25
    Цена по запросу
    Подробнее
    Химический центробежный насос ХЦМ 3/25
    ХЦМ
    Химический центробежный насос ХЦМ 3/25
    Цена по запросу
    Подробнее
    Химический центробежный насос ХЦМ 6/30
    ХЦМ
    Химический центробежный насос ХЦМ 6/30
    Цена по запросу
    Подробнее
    Химический центробежный насос ХЦМ 9/15
    ХЦМ
    Химический центробежный насос ХЦМ 9/15
    Цена по запросу
    Подробнее

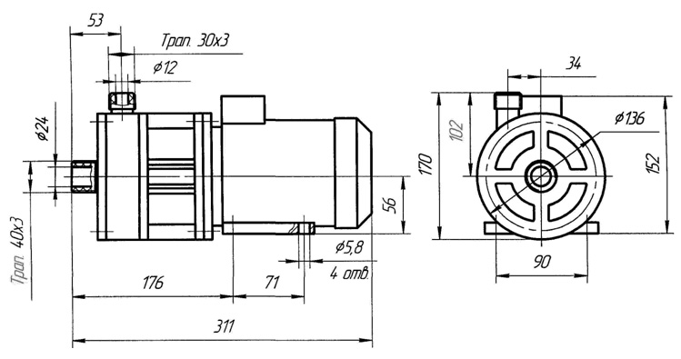
    Устройство и особенности конструкции ХЦМ

    В химической и пищевой промышленности используются насосы герметичные центробежные марки ХЦМ. Применяется это оборудование для перекачивания нейтральных, агрессивных, горючих и легковоспламеняющихся жидкостей. Плотность рабочей жидкости не должна превышать 1600 кг/куб.м, а количество взвешенных части должна быть менее 1,25 мг на кубический см. Допустимый размер включений – 0,25 мм, рабочая температура в зависимости от модели от -40 до +120ºС.

    Выпускается насос химический центробежный в общепромышленном и взрывозащищенном исполнении. Проточная часть агрегатов выполняется из полипропилена или нержавеющей стали.

    По своему исполнению насос центробежный герметичный является моноблоком с горизонтальным расположением вала. Это центробежный агрегат, главной особенностью которого является герметичность. На валу двигателя закрепляется магнитная внешняя полумуфта. Проточная часть выполнена из материалов, обеспечивающих устойчивость к химически активным веществам. Это полипропилен, керамика или нержавеющая сталь. Состоит проточная часть из улитки, фланца, строенной полумуфты и рабочего колеса. Заднюю стенку и фланец от деформации защищают металлические диски. Абсолютной герметичностью центробежный насос ХЦМ обязан магнитной муфте.

    Одной из особенностей конструкции является необходимость установки фильтров, так как агрегаты этого типа негативно относятся к повышенному содержанию примесей. Если взвешенные частицы ферромагнитные, то на всасывающем трубопроводе необходимо установить магнитный фильтр.

    Используется химический герметичный насос для перекачивания следующих жидкостей:

    • щелочные растворы с концентрацией гидроокиси не более 30%;
    • кислоты, в том числе с высокой концентрацией;
    • водопроводная, дистиллированная, деионизированная вода;
    • растворы на основе фторуглеводородов;
    • моющие средства, используемые в технических целях.

    Легковоспламеняемые и опасные жидкости, горючие вещества перекачиваются с помощью герметичных агрегатов во взрывоопасном исполнении – ХЦМ В-К. Именно это оборудование имеет проточную часть из нержавеющей стали.

    Эксплуатации герметичных химических насосов ХЦМ

    При эксплуатации центробежных химических насосов необходимо следить, чтобы они не работали без перекачиваемой жидкости. Ее уровень всегда должен быть выше рабочего колеса, что позволит эксплуатировать оборудование долго и без дорогостоящего ремонта. Монтаж патрубков осуществляется соосно, механического давления посторонних предметов на детали оборудования не должно быть никаких.

    Выбирая герметичный насос, описание его необходимо изучить обязательно. Это поможет подобрать агрегат, соответствующий производственной необходимости, перекачиваемой жидкости. Компания «Стигмаш» предлагает широкий ассортимент современного оборудования различной производительности. Вся техника отвечает строгим требованиям, предъявляемым к промышленному оборудованию.

    Каталог
    • Котельное оборудование
      • Котлы
        • Водогрейные
        • Паровые
      • Деаэраторы
        • Деаэраторы атмосферные
        • Баки деаэраторные
        • Колонки деаэрационные
        • Деаэраторы вакуумные
        • Охладители выпара
      • Фильтры ФОВ
      • Фильтры ФИПа
      • Солерастворители
      • Установка "Комплексон-6"
      • Холодильники отбора проб пара и воды
      • Водоподготовительные установки
      • Емкостное оборудование
    • Отопительное оборудование
      • Калориферы промышленные
        • Водяные КСк
        • Паровые КПСк
        • ВНВ
        • ВНП
      • Калориферы электрические
        • ВНЭ
        • ЭКО
      • Агрегаты воздушно-отопительные
      • Воздухонагревательные установки
        • ЭКОЦ
        • УВНЭ
        • ВНУ
        • ВТУ
      • Промышленные тепловые вентиляторы
        • Электрические
        • Водяные
        • Газовые
      • Воздушные теплозавесы
        • Электрические
        • Водяные
        • Газовые
        • Без нагрева
    • Теплообменное оборудование
      • Подогреватели водоводяные
      • Подогреватели пароводяные
      • Подогреватели ёмкостные
      • Подогреватели мазута
      • Подогреватели МВН
      • Теплообменники базовые
      • Пластинчатые теплообменики
        • Альфа Лаваль
        • Полуразборные
        • Разборные
      • Подогреватели сетевой воды
      • Подогреватели высокого давления ПВ (ПВД)
      • Подогреватели низкого давления ПН (ПНД)
      • Охладители конденсата
    • Вентиляторы промышленные
      • Осевые вентиляторы
        • ВО 06-300
        • ВО 14-320
        • ВО 25-188
        • ВО 30-160
        • Оконные
      • Радиальные вентиляторы
        • ВР 80-75
        • ВР 132-30
        • ВР 12-26
        • ВР 9-55
        • ВР 5-35, 5-45
        • ВЦ 14-46
      • Канальные вентиляторы
        • Круглые
      • Пылевые вентиляторы
        • ВР 140-40
        • ВЦП 7-40
      • Крышные вентиляторы
        • ВКР
        • ВКРм
        • ВКРВм
        • ВКРСм
        • ВОКП
      • Вентиляторы шахтные
        • ВМЭ
        • ВЦ и ВЦД
        • ВШЦ и ВЦП
        • ВО-ДР
        • ВО-ДН
        • ВОЭ
        • ВОМ
      • Комплектующие к вентиляторам
    • Вентиляторы дымоудаления
      • Радиальные вентиляторы дымоудаления
        • ВР 86-77 ДУ
        • ВР 280-46 ДУ
        • ВРС ДУ
        • ВРН ДУ
      • Вентиляторы дымоудаления крышные
        • ВКР1ДУ
        • ВКРМ ДУ
        • ВКРВМ ДУ
        • ВКРСМ ДУ
      • Дымососы противопожарные ДПЭ-ВЦ
    • Дымососы
      • Дымососы Д
      • Дымососы ДН
      • Дымососы ДНx2, Дx2
        • Дымососы ДНх2
        • Дымососы Дх2
      • Дутьевые вентиляторы ВДН, ВД
      • Мельничные вентиляторы
        • Вентиляторы ВМ
        • Вентиляторы ВМН
      • Вентиляторы ВСК
      • Вентиляторы ВНЖ
      • Дымососы осевые ДОД
      • Дымососы-пылеуловители ДП
      • Вентиляторы и дымососы горячего дутья
      • Тягодутьевые машины типа ВВН и ВВР
      • Карманы всасывающие
    • Пылеулавливающее оборудование
      • Циклоны
        • Циклон ЦН-11
        • Циклон ЦН-15
        • Циклон ЦН-15У
        • Циклон ЦН-24
      • Агрегаты пылеулавливающие ЗИЛ
    • Насосы промышленные
      • Консольные насосы
        • К
        • КМ
      • Скважинные насосы
        • ЭЦВ-4
        • ЭЦВ-5
        • ЭЦВ-6
        • ЭЦВ-8
        • ЭЦВ-10
        • ЭЦВ-12
        • Станции управления СУЗ
      • Секционные насосы
      • Фекальные насосы
        • Поверхностные
        • Погружные
      • Химические насосы
        • Х
        • АХ
        • АХП
        • КМХ
        • ХЦМ
      • Винтовые насосы для нефти
      • Насосы шестеренчатые
      • Насосы для перекачки бензина
      • Насосы вихревые
      • Конденсатные насосы
      • Песковые насосы
      • Массные насосы
      • Насосы для пищевой промышленности
    • Электродвигатели
      • Электродвигатели асинхронные
      • Электродвигатели крановые
        • МТКН
        • МТН
      • Электродвигатели взрывозащищенные
      • Электродвигатели высоковольтные
        • А4
        • ДАЗО4
    • Элементы трубопровода
      • Грязевики
        • Абонентские
        • Вертикальные
        • Горизонтальные
      • Компенсаторы сильфонные осевые
        • Односекционные
        • Двухсекционные
      • Трубы ППУ с ОДК
      • Неподвижные опоры для труб
    Компания
    История
    Галерея
    Лицензии и сертификаты
    Производители
    Отзывы
    Документы
    Каталог
    Котельное оборудование
    Отопительное оборудование
    Теплообменное оборудование
    Вентиляторы промышленные
    Вентиляторы дымоудаления
    Дымососы
    Пылеулавливающее оборудование
    Насосы промышленные
    Электродвигатели
    Элементы трубопровода
    Услуги
    Проектирование
    Капитальный ремонт и реконструкция
    Монтаж
    Ремонт оборудования
    Акции
    Оплата и доставка
    Статьи
    +7 (812) 380-94-00
    +7 (812) 380-94-00
    Заказать звонок
    E-mail
    info@stigmash.ru
    Адрес
    Санкт-Петербург, Пушкин, Сетевая, д. 10литА
    Режим работы
    Пн-Пт - 9:00-18:00 (GMT+3)
    info@stigmash.ru
    Санкт-Петербург, Пушкин, Сетевая, д. 10литА
    © 2025 ГК «СТИГМАШ» - изготовление, монтаж и комплексная поставка промышленного оборудования
    Политика конфиденциальности
    Разработано в
    0 Корзина

    Ваша корзина пуста

    Исправить это просто: выберите в каталоге интересующий товар и нажмите кнопку «В корзину»
    Перейти в каталог
    Каталог Услуги Проекты Отзывы Контакты