Скачать опросный лист
Калорифер водяной КСк 3-4 02ХЛЗМ разработан для подогрева воздушных масс в вентиляционных системах, а также системах кондиционирования и воздушного отопления. Он широко применяется в хозяйственных, производственных, складских и иных помещениях большой площади. ГОСТ 12.1.005-76 регламентирует состав воздуха, максимальное содержание в нем химически агрессивных элементов, в нем не должно быть волокнистых материалов и липких веществ, запыленность ограничена 0.5 мг/м3.
Скачать опросный лист
Рабочей средой служит горячая либо перегретая вода при температуре до +190оС. Четырехрядная структура теплоотдающих элементов увеличивает эффективность нагрева воздуха. Их располагают в шахматном порядке. Теплоноситель совершает 4 (6) ходов. Отопительное оборудование в холодное время года должна иметь скорость запуска не более 30 градусов в час. Площадь фронтального сечения составляет 0.581 кв.м., средняя площадь сечения для прохода теплоносителя – 0.00056 кв.м.
В течение часа оборудование перегоняет 6 300 куб. м. воздуха. Его производительность по теплу составляет 157.2 кВт. Благодаря площади поверхности теплообмена 39.0 кв.м. достигается быстрый прогрев помещения.
Технические соответствия
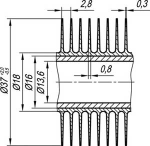
Производство водяных калориферов Калорифер водяной КСк 3-4 02ХЛЗМ регламентируется ТУ 4863-002-55613706-2011, обязательным условием является контроль прочности и герметичности всех теплообменников. В соответствии с ГОСТом 10704-91 изготавливаются теплоотдающие элементы из электросварной стальной трубы 16×1.6 мм, также для их производства допускается использование алюминиевого накатного оребрения, диаметр которого составляет 39 мм.
Техническое обслуживание предполагает проведение внешнего осмотра резиновых прокладок и болтовых соединений, проверяется надежность креплений, в пространстве между теплоотдающими трубками удаляются загрязнения.
Калорифер водяной КСк 3-4 02ХЛЗМ разработан для подогрева воздушных масс в вентиляционных системах, а также системах кондиционирования и воздушного отопления. Он широко применяется в хозяйственных, производственных, складских и иных помещениях большой площади. ГОСТ 12.1.005-76 регламентирует состав воздуха, максимальное содержание в нем химически агрессивных элементов, в нем не должно быть волокнистых материалов и липких веществ, запыленность ограничена 0.5 мг/м3.
|
Площадь сечения (среднее значение) для прохода теплоносителя, м2
|
0,00086 |
|
Площадь фронтального сечения, м2
|
0,337 |
|
Производительность по теплу, кВт
|
75,4 |
|
Число ходов по теплоносителю
|
4 |
|
Масса не более, кг
|
37 |
|
Производительность по воздуху, м3/час
|
4000 |
|
Площадь поверхности теплообмена, м²
|
17,6 |
![]() |
Оребрение элемента теплоотдающего![]() |
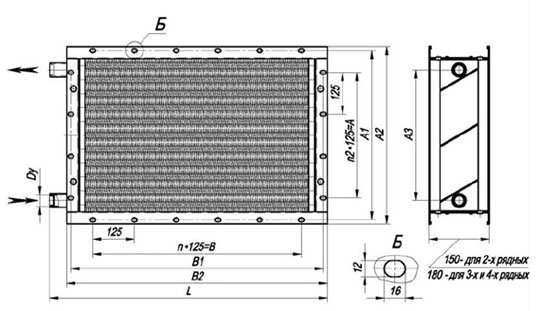
Габаритные размеры калорифера КСк 3-4 02ХЛЗМ
| А | А1±3 | А2 | А3 | B | B1±3 | B2 | L | Dу | n | n2 | V, m3 |
|---|---|---|---|---|---|---|---|---|---|---|---|
| 250 | 426 | 450 | 305 | 875 | 953 | 977 | 1025 | 32 | 7 | 2 | 0,083 |
По спецзаказу возможно изготовление калориферов:
- с нестандартными размерами;
- с нестандартным количеством ходов по теплоносителю;
- без оребрения теплоотдающих элементов (воздух с содержанием волокнистых веществ);
- из нержавеющих сталей (AISI и 12Х18Н10Т)

