Размер шрифта
Цвет фона и шрифта
Изображения
Озвучивание текста
Обычная версия сайта
Изготовление, монтаж и комплексное оснащение промышленным оборудованием объектов энергетики
+7 (812) 380-94-00
+7 (812) 380-94-00
Заказать звонок
E-mail
info@stigmash.ru
Адрес
Санкт-Петербург, Пушкин, ул. Сетевая, д. 10 лит. А
Подать заявку
Акции
Каталог оборудования
  • Котельное оборудование
    • Котлы
    • Деаэраторы атмосферные
    • Деаэраторы вакуумные
    • Фильтры ФОВ
    • Фильтры ФИПа
    • Солерастворители
    • Установка "Комплексон-6"
    • Холодильники отбора проб пара и воды
    • Водоподготовительные установки
    • Емкостное оборудование
  • Отопительное оборудование
    • Калориферы промышленные
    • Калориферы электрические
    • Агрегаты воздушно-отопительные
    • Воздухонагревательные установки
    • Промышленные тепловые вентиляторы
    • Воздушные теплозавесы
  • Теплообменное оборудование
    • Подогреватели водоводяные
    • Подогреватели пароводяные
    • Подогреватели ёмкостные
    • Подогреватели мазута
    • Подогреватели МВН
    • Теплообменники базовые
    • Пластинчатые теплообменики
    • Подогреватели сетевой воды
    • Подогреватели высокого давления ПВ (ПВД)
    • Подогреватели низкого давления ПН (ПНД)
    • Охладители конденсата
  • Вентиляторы промышленные
    • Осевые вентиляторы
    • Радиальные вентиляторы
    • Канальные вентиляторы
    • Пылевые вентиляторы
    • Крышные вентиляторы
    • Вентиляторы шахтные
    • Комплектующие к вентиляторам
  • Вентиляторы дымоудаления
    • Радиальные вентиляторы дымоудаления
    • Вентиляторы дымоудаления крышные
    • Дымососы противопожарные ДПЭ-ВЦ
  • Дымососы
    • Дымососы Д
    • Дымососы ДН
    • Дымососы ДНx2, Дx2
    • Дутьевые вентиляторы ВДН, ВД
    • Мельничные вентиляторы
    • Вентиляторы ВСК
    • Вентиляторы ВНЖ
    • Дымососы осевые ДОД
    • Дымососы-пылеуловители ДП
    • Вентиляторы и дымососы горячего дутья
    • Тягодутьевые машины типа ВВН и ВВР
    • Карманы всасывающие
  • Пылеулавливающее оборудование
    • Циклоны
    • Агрегаты пылеулавливающие ЗИЛ
  • Насосы промышленные
    • Консольные насосы
    • Скважинные насосы
    • Секционные насосы
    • Фекальные насосы
    • Химические насосы
    • Винтовые насосы для нефти
    • Насосы шестеренчатые
    • Насосы для перекачки бензина
    • Насосы вихревые
    • Конденсатные насосы
    • Песковые насосы
    • Массные насосы
    • Насосы для пищевой промышленности
  • Электродвигатели
    • Электродвигатели асинхронные
    • Электродвигатели крановые
    • Электродвигатели взрывозащищенные
    • Электродвигатели высоковольтные
  • Элементы трубопровода
    • Грязевики
    • Компенсаторы сильфонные осевые
    • Трубы ППУ с ОДК
    • Неподвижные опоры для труб
Услуги
  • Проектирование
    • Проектирование блочно-модульных котельных
    • Проектирование тепловых пунктов
    • Проектирование узлов учета
    • Проектирование систем отопления
    • Проектирование перевооружения котельных
  • Капитальный ремонт и реконструкция
    • Реконструкция котельных
    • Капитальный ремонт тепловых сетей
  • Монтаж
    • Блочно-модульные котельные
    • Монтаж котельного оборудования
    • Монтаж теплосетей
    • Монтаж дымовых труб
  • Ремонт оборудования
    • Ремонт насосного оборудования
    • Ремонт электродвигателей
    • Ремонт теплообменников
    • Ремонт калориферов
    • Ремонт вентиляторов и дымососов
Наши объекты
О компании
  • История
  • Галерея
  • Лицензии и сертификаты
  • Производители
  • Отзывы
  • Документы
Помощь
  • Оплата и доставка
  • Новости
  • Статьи
  • Вопрос-ответ
Контакты
Санкт-Петербург
0
0
Санкт-Петербург
Санкт-Петербург, Пушкин, ул. Сетевая, д. 10 лит. А
+7 (812) 380-94-00
+7 (812) 380-94-00
Заказать звонок
E-mail
info@stigmash.ru
Адрес
Санкт-Петербург, Пушкин, ул. Сетевая, д. 10 лит. А
Заказать звонок
Войти
0 Сравнение
0 Корзина
Акции
Каталог оборудования
  • Котельное оборудование
    Котельное оборудование
    • Котлы      
      • Водогрейные
      • Паровые
    • Деаэраторы атмосферные      
      • Баки деаэраторные
      • Колонки деаэрационные
      • Охладители выпара ОВА
    • Деаэраторы вакуумные      
      • Охладители выпара ОВВ
    • Фильтры ФОВ
    • Фильтры ФИПа
    • Солерастворители
    • Установка "Комплексон-6"
    • Холодильники отбора проб пара и воды
    • Водоподготовительные установки
    • Емкостное оборудование
    • Еще
  • Отопительное оборудование
    Отопительное оборудование
    • Калориферы промышленные      
      • Водяные КСк
      • Паровые КПСк
      • ВНВ
      • ВНП
    • Калориферы электрические      
      • ВНЭ
      • ЭКО
    • Агрегаты воздушно-отопительные
    • Воздухонагревательные установки      
      • ЭКОЦ
      • УВНЭ
      • ВНУ
      • ВТУ
    • Промышленные тепловые вентиляторы      
      • Электрические
      • Водяные
      • Газовые
    • Воздушные теплозавесы      
      • Электрические
      • Водяные
      • Газовые
      • Без нагрева
  • Теплообменное оборудование
    Теплообменное оборудование
    • Подогреватели водоводяные
    • Подогреватели пароводяные
    • Подогреватели ёмкостные
    • Подогреватели мазута
    • Подогреватели МВН
    • Теплообменники базовые
    • Пластинчатые теплообменики      
      • Альфа Лаваль
      • Полуразборные
      • Разборные
    • Подогреватели сетевой воды
    • Подогреватели высокого давления ПВ (ПВД)
    • Подогреватели низкого давления ПН (ПНД)
    • Охладители конденсата
    • Еще
  • Вентиляторы промышленные
    Вентиляторы промышленные
    • Осевые вентиляторы      
      • ВО 06-300
      • ВО 14-320
      • ВО 25-188
      • ВО 30-160
      • Оконные
    • Радиальные вентиляторы      
      • ВР 80-75
      • ВР 132-30
      • ВР 12-26
      • ВР 9-55
      • ВР 5-35, 5-45
      • ВЦ 14-46
    • Канальные вентиляторы      
      • Круглые
    • Пылевые вентиляторы      
      • ВР 140-40
      • ВЦП 7-40
    • Крышные вентиляторы      
      • ВКР
      • ВКРм
      • ВКРВм
      • ВКРСм
      • ВОКП
    • Вентиляторы шахтные      
      • ВМЭ
      • ВЦ и ВЦД
      • ВШЦ и ВЦП
      • ВО-ДР
      • ВО-ДН
      • ВОЭ
      • ВОМ
    • Комплектующие к вентиляторам
  • Вентиляторы дымоудаления
    Вентиляторы дымоудаления
    • Радиальные вентиляторы дымоудаления      
      • ВР 86-77 ДУ
      • ВР 280-46 ДУ
      • ВРС ДУ
      • ВРН ДУ
    • Вентиляторы дымоудаления крышные      
      • ВКР1ДУ
      • ВКРМ ДУ
      • ВКРВМ ДУ
      • ВКРСМ ДУ
    • Дымососы противопожарные ДПЭ-ВЦ
  • Дымососы
    Дымососы
    • Дымососы Д
    • Дымососы ДН
    • Дымососы ДНx2, Дx2      
      • Дымососы ДНх2
      • Дымососы Дх2
    • Дутьевые вентиляторы ВДН, ВД
    • Мельничные вентиляторы      
      • Вентиляторы ВМ
      • Вентиляторы ВМН
    • Вентиляторы ВСК
    • Вентиляторы ВНЖ
    • Дымососы осевые ДОД
    • Дымососы-пылеуловители ДП
    • Вентиляторы и дымососы горячего дутья
    • Тягодутьевые машины типа ВВН и ВВР
    • Карманы всасывающие
    • Еще
  • Пылеулавливающее оборудование
    Пылеулавливающее оборудование
    • Циклоны      
      • Циклон ЦН-11
      • Циклон ЦН-15
      • Циклон ЦН-15У
      • Циклон ЦН-24
    • Агрегаты пылеулавливающие ЗИЛ
  • Насосы промышленные
    Насосы промышленные
    • Консольные насосы      
      • К
      • КМ
    • Скважинные насосы      
      • ЭЦВ-4
      • ЭЦВ-5
      • ЭЦВ-6
      • ЭЦВ-8
      • ЭЦВ-10
      • ЭЦВ-12
      • Станции управления СУЗ
    • Секционные насосы
    • Фекальные насосы      
      • Поверхностные
      • Погружные
    • Химические насосы      
      • Х
      • АХ
      • АХП
      • КМХ
      • ХЦМ
    • Винтовые насосы для нефти
    • Насосы шестеренчатые      
      • Ш
      • НМШ
    • Насосы для перекачки бензина
    • Насосы вихревые
    • Конденсатные насосы
    • Песковые насосы
    • Массные насосы
    • Насосы для пищевой промышленности      
      • Насосы для вязких жидкостей
      • Насосы для перекачки молока и молочных продуктов
    • Еще
  • Электродвигатели
    Электродвигатели
    • Электродвигатели асинхронные
    • Электродвигатели крановые      
      • МТКН
      • МТН
    • Электродвигатели взрывозащищенные
    • Электродвигатели высоковольтные      
      • А4
      • ДАЗО4
  • Элементы трубопровода
    Элементы трубопровода
    • Грязевики      
      • Абонентские
      • Вертикальные
      • Горизонтальные
    • Компенсаторы сильфонные осевые      
      • Односекционные
      • Двухсекционные
    • Трубы ППУ с ОДК
    • Неподвижные опоры для труб
Услуги
  • Проектирование
    Проектирование
    • Проектирование блочно-модульных котельных
    • Проектирование тепловых пунктов
    • Проектирование узлов учета
    • Проектирование систем отопления
    • Проектирование перевооружения котельных
  • Капитальный ремонт и реконструкция
    Капитальный ремонт и реконструкция
    • Реконструкция котельных
    • Капитальный ремонт тепловых сетей
  • Монтаж
    Монтаж
    • Блочно-модульные котельные
    • Монтаж котельного оборудования
    • Монтаж теплосетей
    • Монтаж дымовых труб
  • Ремонт оборудования
    Ремонт оборудования
    • Ремонт насосного оборудования
    • Ремонт электродвигателей
    • Ремонт теплообменников
    • Ремонт калориферов
    • Ремонт вентиляторов и дымососов
Наши объекты
О компании
  • История
  • Галерея
  • Лицензии и сертификаты
  • Производители
  • Отзывы
  • Документы
Помощь
  • Оплата и доставка
  • Новости
  • Статьи
  • Вопрос-ответ
Контакты
    Подать заявку
    Санкт-Петербург
    +7 (812) 380-94-00
    +7 (812) 380-94-00
    Заказать звонок
    E-mail
    info@stigmash.ru
    Адрес
    Санкт-Петербург, Пушкин, ул. Сетевая, д. 10 лит. А
    Заказать звонок
    Поиск
    Войти
    0
    0 Корзина
    Подать заявку
    0
    0
    • Акции
    • Каталог оборудования
      • Каталог оборудования
      • Котельное оборудование
        • Котельное оборудование
        • Котлы
          • Котлы
          • Водогрейные
          • Паровые
        • Деаэраторы атмосферные
          • Деаэраторы атмосферные
          • Баки деаэраторные
          • Колонки деаэрационные
          • Охладители выпара ОВА
        • Деаэраторы вакуумные
          • Деаэраторы вакуумные
          • Охладители выпара ОВВ
        • Фильтры ФОВ
        • Фильтры ФИПа
        • Солерастворители
        • Установка "Комплексон-6"
        • Холодильники отбора проб пара и воды
        • Водоподготовительные установки
        • Емкостное оборудование
      • Отопительное оборудование
        • Отопительное оборудование
        • Калориферы промышленные
          • Калориферы промышленные
          • Водяные КСк
          • Паровые КПСк
          • ВНВ
          • ВНП
        • Калориферы электрические
          • Калориферы электрические
          • ВНЭ
          • ЭКО
        • Агрегаты воздушно-отопительные
        • Воздухонагревательные установки
          • Воздухонагревательные установки
          • ЭКОЦ
          • УВНЭ
          • ВНУ
          • ВТУ
        • Промышленные тепловые вентиляторы
          • Промышленные тепловые вентиляторы
          • Электрические
          • Водяные
          • Газовые
        • Воздушные теплозавесы
          • Воздушные теплозавесы
          • Электрические
          • Водяные
          • Газовые
          • Без нагрева
      • Теплообменное оборудование
        • Теплообменное оборудование
        • Подогреватели водоводяные
        • Подогреватели пароводяные
        • Подогреватели ёмкостные
        • Подогреватели мазута
        • Подогреватели МВН
        • Теплообменники базовые
        • Пластинчатые теплообменики
          • Пластинчатые теплообменики
          • Альфа Лаваль
          • Полуразборные
          • Разборные
        • Подогреватели сетевой воды
        • Подогреватели высокого давления ПВ (ПВД)
        • Подогреватели низкого давления ПН (ПНД)
        • Охладители конденсата
      • Вентиляторы промышленные
        • Вентиляторы промышленные
        • Осевые вентиляторы
          • Осевые вентиляторы
          • ВО 06-300
          • ВО 14-320
          • ВО 25-188
          • ВО 30-160
          • Оконные
        • Радиальные вентиляторы
          • Радиальные вентиляторы
          • ВР 80-75
          • ВР 132-30
          • ВР 12-26
          • ВР 9-55
          • ВР 5-35, 5-45
          • ВЦ 14-46
        • Канальные вентиляторы
          • Канальные вентиляторы
          • Круглые
        • Пылевые вентиляторы
          • Пылевые вентиляторы
          • ВР 140-40
          • ВЦП 7-40
        • Крышные вентиляторы
          • Крышные вентиляторы
          • ВКР
          • ВКРм
          • ВКРВм
          • ВКРСм
          • ВОКП
        • Вентиляторы шахтные
          • Вентиляторы шахтные
          • ВМЭ
          • ВЦ и ВЦД
          • ВШЦ и ВЦП
          • ВО-ДР
          • ВО-ДН
          • ВОЭ
          • ВОМ
        • Комплектующие к вентиляторам
      • Вентиляторы дымоудаления
        • Вентиляторы дымоудаления
        • Радиальные вентиляторы дымоудаления
          • Радиальные вентиляторы дымоудаления
          • ВР 86-77 ДУ
          • ВР 280-46 ДУ
          • ВРС ДУ
          • ВРН ДУ
        • Вентиляторы дымоудаления крышные
          • Вентиляторы дымоудаления крышные
          • ВКР1ДУ
          • ВКРМ ДУ
          • ВКРВМ ДУ
          • ВКРСМ ДУ
        • Дымососы противопожарные ДПЭ-ВЦ
      • Дымососы
        • Дымососы
        • Дымососы Д
        • Дымососы ДН
        • Дымососы ДНx2, Дx2
          • Дымососы ДНx2, Дx2
          • Дымососы ДНх2
          • Дымососы Дх2
        • Дутьевые вентиляторы ВДН, ВД
        • Мельничные вентиляторы
          • Мельничные вентиляторы
          • Вентиляторы ВМ
          • Вентиляторы ВМН
        • Вентиляторы ВСК
        • Вентиляторы ВНЖ
        • Дымососы осевые ДОД
        • Дымососы-пылеуловители ДП
        • Вентиляторы и дымососы горячего дутья
        • Тягодутьевые машины типа ВВН и ВВР
        • Карманы всасывающие
      • Пылеулавливающее оборудование
        • Пылеулавливающее оборудование
        • Циклоны
          • Циклоны
          • Циклон ЦН-11
          • Циклон ЦН-15
          • Циклон ЦН-15У
          • Циклон ЦН-24
        • Агрегаты пылеулавливающие ЗИЛ
      • Насосы промышленные
        • Насосы промышленные
        • Консольные насосы
          • Консольные насосы
          • К
          • КМ
        • Скважинные насосы
          • Скважинные насосы
          • ЭЦВ-4
          • ЭЦВ-5
          • ЭЦВ-6
          • ЭЦВ-8
          • ЭЦВ-10
          • ЭЦВ-12
          • Станции управления СУЗ
        • Секционные насосы
        • Фекальные насосы
          • Фекальные насосы
          • Поверхностные
          • Погружные
        • Химические насосы
          • Химические насосы
          • Х
          • АХ
          • АХП
          • КМХ
          • ХЦМ
        • Винтовые насосы для нефти
        • Насосы шестеренчатые
          • Насосы шестеренчатые
          • Ш
          • НМШ
        • Насосы для перекачки бензина
        • Насосы вихревые
        • Конденсатные насосы
        • Песковые насосы
        • Массные насосы
        • Насосы для пищевой промышленности
          • Насосы для пищевой промышленности
          • Насосы для вязких жидкостей
          • Насосы для перекачки молока и молочных продуктов
      • Электродвигатели
        • Электродвигатели
        • Электродвигатели асинхронные
        • Электродвигатели крановые
          • Электродвигатели крановые
          • МТКН
          • МТН
        • Электродвигатели взрывозащищенные
        • Электродвигатели высоковольтные
          • Электродвигатели высоковольтные
          • А4
          • ДАЗО4
      • Элементы трубопровода
        • Элементы трубопровода
        • Грязевики
          • Грязевики
          • Абонентские
          • Вертикальные
          • Горизонтальные
        • Компенсаторы сильфонные осевые
          • Компенсаторы сильфонные осевые
          • Односекционные
          • Двухсекционные
        • Трубы ППУ с ОДК
        • Неподвижные опоры для труб
    • Услуги
      • Услуги
      • Проектирование
        • Проектирование
        • Проектирование блочно-модульных котельных
        • Проектирование тепловых пунктов
        • Проектирование узлов учета
        • Проектирование систем отопления
        • Проектирование перевооружения котельных
      • Капитальный ремонт и реконструкция
        • Капитальный ремонт и реконструкция
        • Реконструкция котельных
        • Капитальный ремонт тепловых сетей
      • Монтаж
        • Монтаж
        • Блочно-модульные котельные
        • Монтаж котельного оборудования
        • Монтаж теплосетей
        • Монтаж дымовых труб
      • Ремонт оборудования
        • Ремонт оборудования
        • Ремонт насосного оборудования
        • Ремонт электродвигателей
        • Ремонт теплообменников
        • Ремонт калориферов
        • Ремонт вентиляторов и дымососов
    • Наши объекты
    • О компании
      • О компании
      • История
      • Галерея
      • Лицензии и сертификаты
      • Производители
      • Отзывы
      • Документы
    • Помощь
      • Помощь
      • Оплата и доставка
      • Новости
      • Статьи
      • Вопрос-ответ
    • Контакты
    Подать заявку
    • Санкт-Петербург
      • Города
      • Челябинск
      • Екатеринбург
      • Магнитогорск
      • Москва
      • Санкт-Петербург
    • Кабинет
    • 0 Сравнение
    • 0 Корзина
    • +7 (812) 380-94-00
      • Телефоны
      • +7 (812) 380-94-00
      • Заказать звонок
    • Санкт-Петербург, Пушкин, ул. Сетевая, д. 10 лит. А
    • info@stigmash.ru

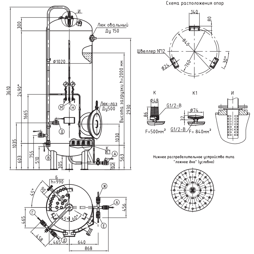
    Натрий-катионитовый фильтр ФИПа I-1,0-0,6-Na

    Главная
    —
    Котельное оборудование
    —
    Фильтры Na катионитовые
    —Натрий-катионитовый фильтр ФИПа I-1,0-0,6-Na
    Натрий-катионитовый фильтр ФИПа I-1,0-0,6-Na
    Цена по запросу
    Добавить в заказ
    Заказать в 1 клик

    Цена указана с НДС. Не является публичной офертой.

    Гарантия на оборудование 24 месяца.

    Бесплатная доставка
    по Санкт-Петербургу. Подробнее.

    Усли у вас возникли трудности с подбором оборудования, заполните опросный лист, и наши специалисты помогут вам в этом.
    Скачать опросный лист
    Натрий-катионитовый фильтр ФИПа I-1,0-0,6-Na
    Натрий-катионитовый фильтр ФИПа I-1,0-0,6-Na
    Натрий-катионитовый фильтр ФИПа I-1,0-0,6-Na
    Натрий-катионитовый фильтр ФИПа I-1,0-0,6-Na
    Натрий-катионитовый фильтр ФИПа I-1,0-0,6-Na
    Натрий-катионитовый фильтр ФИПа I-1,0-0,6-Na
    Натрий-катионитовый фильтр ФИПа I-1,0-0,6-Na
    Натрий-катионитовый фильтр ФИПа I-1,0-0,6-Na
    Натрий-катионитовый фильтр ФИПа I-1,0-0,6-Na
    Натрий-катионитовый фильтр ФИПа I-1,0-0,6-Na
    Натрий-катионитовый фильтр ФИПа I-1,0-0,6-Na
    Натрий-катионитовый фильтр ФИПа I-1,0-0,6-Na
    Натрий-катионитовый фильтр ФИПа I-1,0-0,6-Na
    Натрий-катионитовый фильтр ФИПа I-1,0-0,6-Na

    Натрий-катионитовый фильтр ФИПа I-1,0-0,6-Na предназначен для получения умягченной воды, применяется в схемах водоподготовиткльных установок электростанций, отопительных и промышленных котельных, различных технологических процессов.

    Подробности
    Типоразмерный ряд
    ФИПа I-0,7-0,6-Na
    ФИПа I-0,45-0,6-Na
    ФИПа I-1,0-0,6-Na-КЗ
    ФИПа I-1,2-0,6-Na-КЗ
    ФИПа I-1,4-0,6-Na
    ФИПа I-2,0-0,6-Na
    ФИПа I-2,6-0,6-Na
    ФИПа I-3,0-0,6-Na
    Внимание! В связи с изменением курса валют актуальные цены уточняйте у менеджеров.
    Натрий-катионитовый фильтр ФИПа I-1,0-0,6-Na
    Цена по запросу
    Добавить в заказ
    Заказать в 1 клик

    Цена указана с НДС. Не является публичной офертой.

    Гарантия на оборудование 24 месяца.

    Бесплатная доставка
    по Санкт-Петербургу. Подробнее.

    Усли у вас возникли трудности с подбором оборудования, заполните опросный лист, и наши специалисты помогут вам в этом.
    Скачать опросный лист
    • Описание
    • Характеристики
    • Габаритные размеры
    • Графические характеристики
    • Файлы для скачивания

    Натрий-катионитовый фильтр ФИПа I-1,0-0,6-Na применяется для умягчения воды путём удаления из неё ионов в процессе катионирования. Проходя через слой катионита, вода избавляется от ионов кальция и магния, который заменяются эквивалентным количеством ионов натрий-катионитовой засыпки. Рабочий цикл фильтра состоит из таких операций: умягчение воды; взрыхление фильтрующей засыпки; её регенерация и промывка.

    Натрий-катионитовый фильтр ФИПа I-1,0-0,6-Na предназначен для получения умягченной воды, применяется в схемах водоподготовиткльных установок электростанций, отопительных и промышленных котельных, различных технологических процессов.

    Характеристики
    Вместимость корпуса, м³
    2.5
    Давление пробн. при гидрав. испытании, МПа
    0.9
    Давление рабочее, МПа
    0.6
    Объем фильтрующей загрузки, м³
    1.57
    Т, не более °C
    табл. 1
    Масса сухая, кг
    табл.1
    Производительность, м3/ч
    24
    Масса засыпного материала, кг
    Катионит, т
    1.4
    Сульфоуголь,т
    1.05

    Таблица 1

    КолпачокМатериалОбознач.Кол-воТемпература воды не более °СМасса фильтра, кг
    К Полистирол Д-45461СБ 70 40 787
    К1 12х18Н10Т ФЭЛ-0,2-8,4-2-Н-G1/2B 37 90 771

    1. Аппарат не подлежит ведению Ростехнадзора.

    2. Материал,, изготовление и контроль сворных швов по ОСТ "Сосуды и аппараты стальные сварные. Общие технические условия."

    3. Материал - Ст3сп.*

    * - по заказу Ст. 12Х18Н10Т;

    ** - по заказу выполняется антикоррозионное покрытие внутренней поверхности фильтра;

    Наружные трубопроводы в разобранном виде и арматура * вместе с контрольно-измерительными приборами отправляютсязаказчику в ящике и устанавливаются на монтаже.

    Габаритные размеры ящике, мм - L=1100; B=600; h=300; Масса - 120кг.

    Тип поставляемой арматуры, трубопроводов, нижнего и верхнего распределитеных устройств может изменяться;

    Экспликация штуцеров, муфт

    ОбознНазначение штуцеров, муфтDy, ммКол. шт.
    А Отвод обработаной воды 50 1
    Б Гидровыгрузка 50 1
    В Отвод промывочной воды 50 1
    Г Подвод обрабатываемой воды 50 1
    Д Подвод регенерационного раствора 50 1
    Е Отвод регенерационного раствора, отмывочной воды и первого фильтрата 50 1
    Ж Подвод промывочной воды 50 1
    М Пробоотборники 15 2
    Н Отвод воздуха 15 1
    • Опросный лист
    Назад к списку
    Компания
    История
    Галерея
    Лицензии и сертификаты
    Производители
    Отзывы
    Документы
    Каталог
    Котельное оборудование
    Отопительное оборудование
    Теплообменное оборудование
    Вентиляторы промышленные
    Вентиляторы дымоудаления
    Дымососы
    Пылеулавливающее оборудование
    Насосы промышленные
    Электродвигатели
    Элементы трубопровода
    Услуги
    Проектирование
    Капитальный ремонт и реконструкция
    Монтаж
    Ремонт оборудования
    Акции
    Оплата и доставка
    Статьи
    +7 (812) 380-94-00
    +7 (812) 380-94-00
    Заказать звонок
    E-mail
    info@stigmash.ru
    Адрес
    Санкт-Петербург, Пушкин, ул. Сетевая, д. 10 лит. А
    info@stigmash.ru
    Санкт-Петербург, Пушкин, ул. Сетевая, д. 10 лит. А
    © 2026 ГК «СТИГМАШ» - изготовление, монтаж и комплексная поставка промышленного оборудования
    Политика конфиденциальности
    Разработано в
    0 Корзина

    Ваша корзина пуста

    Исправить это просто: выберите в каталоге интересующий товар и нажмите кнопку «В корзину»
    Перейти в каталог
    Каталог Услуги Проекты Отзывы Контакты