Дымосос Д-12 исп 1 представляет собой тягодутьевую машину среднего и высокого давления, одностороннего всасывания. Котельный дымосос используется для удаления продуктов горения из топочных камер котлов, а также для нагнетания чистого воздуха в топливные системы котельных установок.
Дымосос Д-12 исп 1 имеет рабочее колесо диаметром ХХ дециметров, с 32 лопатками. Спиральный поворотный корпус изготавливается с углом разворота выхлопа 0° … 270°, что обеспечивает удобный монтаж к вентканалу.
Д-12 исп 1 предназначен для эксплуатации в условиях умеренного климата (температура окружающего воздуха -30 … +40° С), категории размещения У2 и У3. При обеспечении защиты электрической части от прямых солнечных лучей и атмосферных воздействий, дымосос Д-12 исп 1 допускается эксплуатировать по категории размещения У1.
Дымосос Д-12 исп 1 представляет собой тягодутьевую машину среднего и высокого давления, одностороннего всасывания. Котельный дымосос используется для удаления продуктов горения из топочных камер котлов, а также для нагнетания чистого воздуха в топливные системы котельных установок.
|
Мощность, кВт
|
30, 55 |
|
Масса не более, кг
|
1215, 1325 |
|
Электродвигатель
|
5А225М8, 5АМ250М6 |
|
Частота вращения, мин^-1
|
750, 1000 |
| Параметры в рабочей зоне | |
|
Производ. 10³ х м³/час
|
26500, 35500 |
|
Полное давление, Па
|
1510, 2430 |

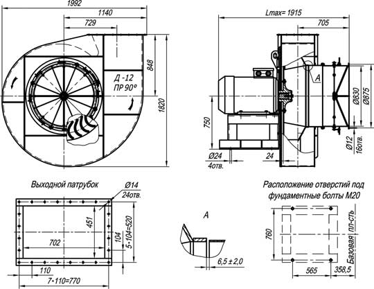
Габаритные и присоединительные размеры Д-12 исп-1

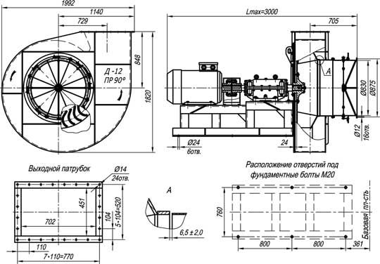
Габаритные и присоединительные размеры Д-12 исп-3
