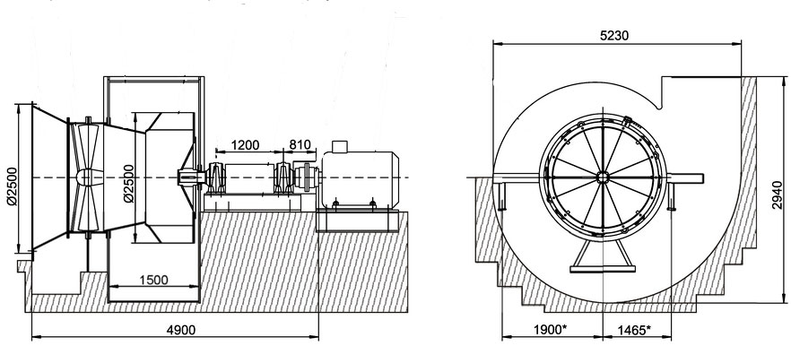
Вентилятор шахтный ВЦ-25
Цена по запросу
Внимание! В связи с изменением курса валют актуальные цены уточняйте у менеджеров.
Вентилятор шахтный ВЦ-25
Цена по запросу
Характеристики
|
КПД, %
|
0,87 |
|
Мощность, кВт
|
400, 200 |
|
Частота вращения, об/мин
|
600, 750 |
|
Масса сухая, кг
|
8 145 |
|
Номинальное полное давление, Па
|
980-900, 1 520-4 600 |
| Параметры в рабочей зоне | |
|
Производительность м³/с
|
22-77, 26,8-97 |

| H | B | L |
|---|---|---|
| 4 260 | 4 900 | 5 230 |

