Вентилятор дымоудаления ВР 80-70 №10ДУ
Цена по запросу
Внимание! В связи с изменением курса валют актуальные цены уточняйте у менеджеров.
Вентилятор дымоудаления ВР 80-70 №10ДУ
Цена по запросу
Характеристики
|
Масса не более, кг
|
625, 656, 678, 719 |
|
Частота вращения рабочего колеса,мин-1
|
730, 980 |
| Электродвигатель | |
|
Типоразмер
|
АИР160S8, АИР160M8, АИР180M6, АИР200M6 |
|
Мощность, кВт
|
7,5, 11, 18,5, 22 |
| Параметры в рабочей зоне | |
|
Производ. 10³ х м³/час
|
15,0-28,0, 15,0-30,5, 20,5-39,0, 20,5-41,0 |
|
Полное давление, Па
|
270-220, 270-200, 490-400, 490-370 |

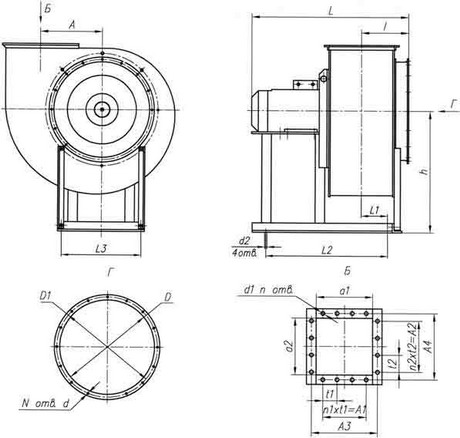
Вентиляторы ВР 86-77ДУ и ВР 80-70ДУ 1-е исполнение.
| Размеры, мм | |||||||||||
|---|---|---|---|---|---|---|---|---|---|---|---|
| А | А1 | А2 | А3 | А4 | а1 | а2 | Lmax | l | h | L1 | L2 |
| 650 | 750 | 750 | 750 | 750 | 700 | 700 | 1440 | 452 | 1212 | 296 | 1245 |
| L3 | D | D1 | d | d1 | d2 | t1 | T2 | N | n | n1 | n2 |
| 990 | 1006 | 1040 | 10 | 10 | 15 | 150 | 150 | 16 | 20 | 5 | 5 |

Положения корпуса вентилятор правого вращения.

Положения корпуса вентилятора левого вращения.
| Размеры, мм | ||||||||
|---|---|---|---|---|---|---|---|---|
| Пр135°, Л135° | Пр270°, Л270° | Пр315°, Л315° | ||||||
| B | b | H | B | b | H | B | b | H |
| 2012 | 820 | 952 | 1533 | 888 | 762 | 2012 | 820 | 695 |
| Пр0°, Л0° | Пр45°, Л45° | Пр90°, Л90° | ||||||
| 1813 | 762 | 646 | 1645 | 695 | 1192 | 1533 | 888 | 1052 |
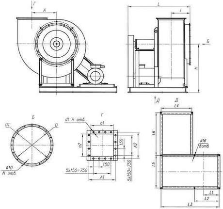
Габаритные размеры вентиляторов ВР 86-77ДУ и ВР 80-70ДУ 5-е исполнение.

| Размеры, мм | |||||||||
|---|---|---|---|---|---|---|---|---|---|
| А | А1 | А2 | а1 | а2 | Lmax> | l | h | L1 | |
| 650 | 750 | 750 | 700 | 700 | 1486 | 452 | 1212 | 377 | |
| L2 | L3 | L4 | L5 | L6 | D | D1 | d1 | N | n |
| 703 | 1155 | 450 | 962 | 708 | 1006 | 1040 | 10 | 16 | 20 |
* 730 мин-1

* 980 мин-1

| № вент. | n, мин-1 | Значение Lpi, дБ в октавных полосах f,Гц | LpA, ДБА | ||||||
|---|---|---|---|---|---|---|---|---|---|
| 125 | 250 | 500 | 1000 | 2000 | 4000 | 8000 | |||
| исп-1 | 730 | 94 | 90 | 88 | 85 | 80 | 73 | 64 | 90 |
| 980 | 95 | 100 | 96 | 94 | 91 | 86 | 79 | 99 | |
| исп-5 | 615 | 90 | 86 | 84 | 81 | 76 | 69 | 60 | 86 |
| 685 | 93 | 89 | 87 | 84 | 79 | 72 | 63 | 89 | |
| 770 | 95 | 91 | 89 | 86 | 81 | 74 | 63 | 91 | |
| 865 | 98 | 94 | 92 | 89 | 84 | 77 | 68 | 94 | |