Насосы К 45/30 предназначены для перекачивания технической воды и других жидкостей, аналогичных по плотности и вязкости (за исключением морской воды). К 45/30 и электронасосные агрегаты на их базе используются в самых разных сферах: системы водоснабжения ЖКХ и водоканалов, системы подачи технической воды на промышленных предприятиях, системы пожаротушения, объекты теплоэнергетики, и т.д.
Консольный насос К 45/30 предназначен для перекачивания технической воды (кроме морской), а также других жидкостей сходных с водой по вязкости, плотности, химической активностью рН=6...9.
Корпус насоса – чугунная отливка, в которой есть входной и выходной патрубки, опорные лапы и спирально-кольцевой отвод. Рабочее колесо - центробежное, закрытого типа, одностороннего входа. Вращение ротора производится электродвигателем через соединительную муфту. Два радиально–упорных подшипника, установленных в кронштейне, служат опорами ротора. Если смотреть со стороны привода – вращение ротора по часовой стрелке.
Сальниковые набивки из современных материалов на основе терморасширенного графита сократят время на обслуживание и ремонт насоса. Насос можно использовать во взрывоопасных и пожароопасных помещениях за счет использования одинарных торцовых уплотнений.
Насос К 45/30 применяют:
- в системах тепло- и водоснабжения для дополнительной циркуляции в хозяйственных и жилых объектах;
- в системах водоснабжения структур ЖКХ и муниципальных водоканалов для перекачивания чистой воды;
- в системах подачи технической воды на промышленных предприятиях, включая нефтеперерабатывающие и металлургические отрасли;
- на объектах теплоэнергетики АЭС и ТЭС для обеспечения работы основных и вспомогательных систем станций, связанных с использованием воды.
Насосы К 45/30 предназначены для перекачивания технической воды и других жидкостей, аналогичных по плотности и вязкости (за исключением морской воды). К 45/30 и электронасосные агрегаты на их базе используются в самых разных сферах: системы водоснабжения ЖКХ и водоканалов, системы подачи технической воды на промышленных предприятиях, системы пожаротушения, объекты теплоэнергетики, и т.д.
|
Габаритные размеры, мм
|
1030*332*413 |
|
Частота тока, Гц
|
50 |
|
Двигатель кВт/об/мин
|
6,5/2900 |
|
Масса сухая, кг
|
49,5 |
|
Подача воздуха, м3/ч
|
45 |
|
Род тока
|
переменный |
|
Напряжение, В
|
220/380 |
|
Давление на входе в насос, МПа (кгс/см2), не более
|
0,25(2,5) |
|
Допускаемый кавитационный запас, м, не более
|
4 |
|
КПД насоса, %, не менее
|
72 |
|
Напор, м
|
32 |
|
Утечка через сальниковое уплотнение, м3/ч (л/с)
|
0,3*10-3...1,5*10-3 (0,3...1,5) |

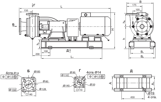
| Типоразмер двигателя | Мощность, кВт | Размеры, мм | Масса агрегата, кг | ||||||||||
|---|---|---|---|---|---|---|---|---|---|---|---|---|---|
| L | L1 | A | A1 | h | h1 | h2 | B | B1 | B2 | H | |||
| АИР112М2 УЗ | 7,5 | 1035 | 690 | 225 | 225 | 255 | 150 | 105 | 300 | 260 | 300 | 415 | 118 |
| 5АМ112М2 УЗ | 7,5 | 1085 | 690 | 225 | 225 | 255 | 150 | 105 | 300 | 260 | 300 | 425 | 135 |
| А112М2 УЗ | 7,5 | 1100 | 690 | 225 | 225 | 255 | 150 | 105 | 300 | 260 | 300 | 455 | 148 |
| АИРМ112М2 УЗ | 7,5 | 1040 | 690 | 225 | 225 | 255 | 150 | 105 | 300 | 260 | 300 | 428 | 127 |
| АИР112М2 УЗ | 7,5 | 1035 | 690 | 250 | 290-320 | 215 | 150 | 65 | 300 | 360 | 360 | 375 | 119 |
| 5АМ112М2 УЗ | 7,5 | 1085 | 690 | 250 | 290-320 | 215 | 150 | 65 | 300 | 360 | 360 | 385 | 136 |
| А112М2 УЗ | 7,5 | 1100 | 690 | 250 | 290-320 | 215 | 150 | 65 | 300 | 360 | 360 | 415 | 149 |
| АИРМ112М2 УЗ | 7,5 | 1040 | 690 | 250 | 290-320 | 215 | 150 | 65 | 300 | 360 | 360 | 388 | 128 |
