Насосы К 290/30а предназначены для перекачивания технической воды и других жидкостей, аналогичных по плотности и вязкости (за исключением морской воды). К 290/30а и электронасосные агрегаты на их базе используются в самых разных сферах: системы водоснабжения ЖКХ и водоканалов, системы подачи технической воды на промышленных предприятиях, системы пожаротушения, объекты теплоэнергетики, и т.д.
Консольный насос К 290/30а предназначен для перекачивания технической воды (кроме морской), а также других жидкостей сходных с водой по вязкости, плотности, химической активностью рН=6...9.
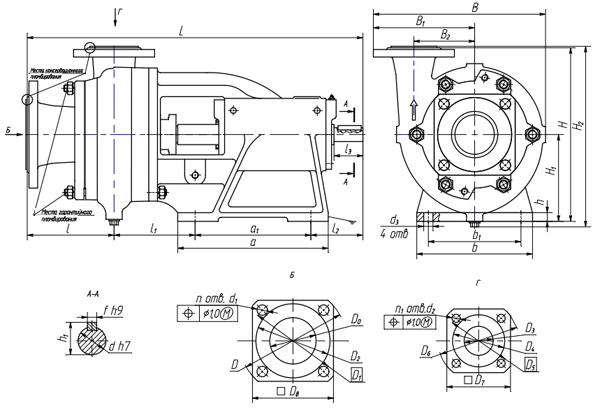
Корпус насоса – чугунная отливка, в которой есть входной и выходной патрубки, опорные лапы и спирально-кольцевой отвод. Рабочее колесо - центробежное, закрытого типа, одностороннего входа. Вращение ротора производится электродвигателем через соединительную муфту. Два радиально–упорных подшипника, установленных в кронштейне, служат опорами ротора. Если смотреть со стороны привода – вращение ротора по часовой стрелке.
Сальниковые набивки из современных материалов на основе терморасширенного графита сократят время на обслуживание и ремонт насоса. Насос можно использовать во взрывоопасных и пожароопасных помещениях за счет использования одинарных торцовых уплотнений.
Насос К 290/30а применяют:
- в системах тепло- и водоснабжения для дополнительной циркуляции в хозяйственных и жилых объектах;
- в системах водоснабжения структур ЖКХ и муниципальных водоканалов для перекачивания чистой воды;
- в системах подачи технической воды на промышленных предприятиях, включая нефтеперерабатывающие и металлургические отрасли;
- на объектах теплоэнергетики АЭС и ТЭС для обеспечения работы основных и вспомогательных систем станций, связанных с использованием воды.
Насосы К 290/30а предназначены для перекачивания технической воды и других жидкостей, аналогичных по плотности и вязкости (за исключением морской воды). К 290/30а и электронасосные агрегаты на их базе используются в самых разных сферах: системы водоснабжения ЖКХ и водоканалов, системы подачи технической воды на промышленных предприятиях, системы пожаротушения, объекты теплоэнергетики, и т.д.
|
Габаритные размеры, мм
|
1645*575*630 |
|
Частота тока, Гц
|
50 |
|
Двигатель кВт/об/мин
|
30/1450 |
|
Масса сухая, кг
|
130 |
|
Подача воздуха, м3/ч
|
253 |
|
Род тока
|
переменный |
|
Напряжение, В
|
220/380 |
|
Давление на входе в насос, МПа (кгс/см2), не более
|
0,25(2,5) |
|
Допускаемый кавитационный запас, м, не более
|
4,2 |
|
КПД насоса, %, не менее
|
82 |
|
Напор, м
|
24 |
|
Утечка через сальниковое уплотнение, м3/ч (л/с)
|
0,3*10-3...1,5*10-3 (0,3...1,5) |

| Типоразмер насоса | Размеры, мм | |||||||||||||||||
|---|---|---|---|---|---|---|---|---|---|---|---|---|---|---|---|---|---|---|
| H2 | H1 | H | f | h1 | h | B2 | B1 | B | b1 | b | a1 | a | l3 | l2 | l1 | l | L | |
| К 290/30 | 574.5 | 200 | 490 | 12 | 45 | 25 | 220 | 337,5 | 582 | 265±0,7Z | 310 | 200±0,7Z | 264 | 103 | 237 | 214 | 196 | 847 |
| Типоразмер насоса | Размеры, мм | |||||||||||||
|---|---|---|---|---|---|---|---|---|---|---|---|---|---|---|
| d | d1 | d2 | d3 | D | D0 | D1 | D2 | D3 | D4 | D5 | D6 | D7 | D | |
| К 290/30 | 42 | 18 | 18 | 17 | 322 | 200 | 280 | 260 | 125 | 178 | 200 | 235 | - | - |
