Насосы 1К 8/18а предназначены для перекачивания технической воды и других жидкостей, аналогичных по плотности и вязкости (за исключением морской воды). 1К 8/18а и электронасосные агрегаты на их базе используются в самых разных сферах: системы водоснабжения ЖКХ и водоканалов, системы подачи технической воды на промышленных предприятиях, системы пожаротушения, объекты теплоэнергетики, и т.д.
Консольный насос 1К 8/18а предназначен для перекачивания технической воды (кроме морской), а также других жидкостей сходных с водой по вязкости, плотности, химической активностью рН=6...9.
Корпус насоса – чугунная отливка, в которой есть входной и выходной патрубки, опорные лапы и спирально-кольцевой отвод. Рабочее колесо - центробежное, закрытого типа, одностороннего входа. Вращение ротора производится электродвигателем через соединительную муфту. Два радиально–упорных подшипника, установленных в кронштейне, служат опорами ротора. Если смотреть со стороны привода – вращение ротора по часовой стрелке.
Сальниковые набивки из современных материалов на основе терморасширенного графита сократят время на обслуживание и ремонт насоса. Насос можно использовать во взрывоопасных и пожароопасных помещениях за счет использования одинарных торцовых уплотнений.
Насос 1К 8/18а применяют:
- в системах тепло- и водоснабжения для дополнительной циркуляции в хозяйственных и жилых объектах;
- в системах водоснабжения структур ЖКХ и муниципальных водоканалов для перекачивания чистой воды;
- в системах подачи технической воды на промышленных предприятиях, включая нефтеперерабатывающие и металлургические отрасли;
- на объектах теплоэнергетики АЭС и ТЭС для обеспечения работы основных и вспомогательных систем станций, связанных с использованием воды.
Насосы 1К 8/18а предназначены для перекачивания технической воды и других жидкостей, аналогичных по плотности и вязкости (за исключением морской воды). 1К 8/18а и электронасосные агрегаты на их базе используются в самых разных сферах: системы водоснабжения ЖКХ и водоканалов, системы подачи технической воды на промышленных предприятиях, системы пожаротушения, объекты теплоэнергетики, и т.д.
|
Габаритные размеры, мм
|
769*257*323 |
|
Частота тока, Гц
|
50 |
|
Двигатель кВт/об/мин
|
1,2/2900 |
|
Масса сухая, кг
|
27. |
|
Подача воздуха, м3/ч
|
8,0 |
|
Род тока
|
переменный |
|
Напряжение, В
|
220/380 |
|
Давление на входе в насос, МПа (кгс/см2), не более
|
0,25(2,5) |
|
Допускаемый кавитационный запас, м, не более
|
3,8 |
|
КПД насоса, %, не менее
|
53 |
|
Напор, м
|
15 |
|
Утечка через сальниковое уплотнение, м3/ч (л/с)
|
0,3...1,5*10-3(0,3...1,5) |

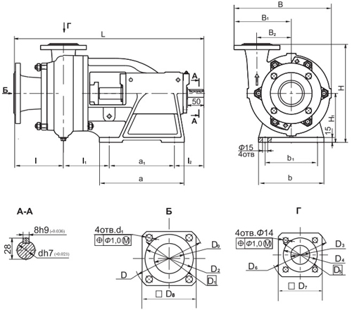
| Типоразмер насоса | Размеры, мм | ||||||||||||
|---|---|---|---|---|---|---|---|---|---|---|---|---|---|
| L | l | l1 | l2 | a | a1 | b | b1 | B | B1 | B2 | H | H1 | |
| 1К 8/18 | 466 | 120 | 115 | 91 | 195 | 140±0,7M | 160 | 130±0,7M | 230 | 135 | 75 | 240 | 120 |
| Типоразмер насоса | Размеры, мм | |||||||||||
|---|---|---|---|---|---|---|---|---|---|---|---|---|
| d | d1 | D | D0 | D1 | D2 | D3 | D4 | D5 | D6 | D7 | D8 | |
| 1К 8/18 | 25 | 14 | 140 | 50 | 110 | 90 | 32 | 70 | 90 | 120 | 95 | 110 |

| Двигатель | Размеры, мм | Масса агрегата, кг | |||||||||||||||||||||||||||
|---|---|---|---|---|---|---|---|---|---|---|---|---|---|---|---|---|---|---|---|---|---|---|---|---|---|---|---|---|---|
| Типоразмер двигателя | Мощность, кВт | L | L1 | l | l1 | l2 | A | A1 | A2 | B | B1 | B2 | B3 | B4 | H | h | h1 | h2 | D | D0 | D1 | D2 | D3 | D4 | D5 | D6 | D7 | D8 | |
| 5А80МА2 | 1,5 | 785 | 525 | 120 | 185 | 109 | 240 | 240 | 336 | 230 | 296 | 312 | 75 | 135 | 323 | 203 | 120 | 83 | 140 | 50 | 110 | 90 | 32 | 70 | 90 | 120 | 110 | 95 | 61 |
| А80А2 | 1,5 | 790 | 525 | 120 | 185 | 109 | 240 | 240 | 336 | 230 | 296 | 312 | 75 | 135 | 330 | 203 | 120 | 83 | 140 | 50 | 110 | 90 | 32 | 70 | 90 | 120 | 110 | 95 | 56 |
| АИР80А2 | 1,5 | 790 | 525 | 120 | 185 | 109 | 240 | 240 | 336 | 230 | 296 | 312 | 75 | 135 | 328 | 203 | 120 | 83 | 140 | 50 | 110 | 90 | 32 | 70 | 90 | 120 | 110 | 95 | 56 |
